| Výrobce | NINIGI |
| Typ konektoru | DIN 41612 |
| Symbol | Poč. pinů | Druh | Orientace | Montáž | Uspořádání vývodů | Konektor | Rozměry |
|---|---|---|---|---|---|---|---|
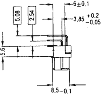
| ZDIN-CM-32KAC | 32 | vidlice | úhlové 90° | THT | a+c každý druhý vývod | zásuvka | Výkr. 1. |
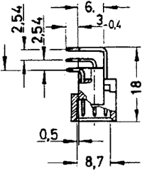
| ZDIN-CF-32P | 32 | zásuvka | přímý | THT | a+c každý druhý vývod | zástrčka | Výkr. 2. |
| ZDIN-CM-64KAC | 64 | vidlice | úhlové 90° | THT | a+c | zásuvka | Výkr. 1. |
| ZDIN-CM-64P | 64 | vidlice | přímý | THT | a+c | zásuvka | - |
| ZDIN-CF-64IDC | 64 | zásuvka | - | IDC | a+c | zástrčka | - |
| ZDIN-CF-64K | 64 | zásuvka | úhlové 90° | THT | a+c | zástrčka | Výkr. 3. |
| ZDIN-CF-64P | 64 | zásuvka | přímý | THT | a+c | zástrčka | Výkr. 2. |
| ZDIN-CM-96K | 96 | vidlice | úhlové 90° | THT | a+b+c | zásuvka | Výkr. 1. |
| ZDIN-CM-96P | 96 | vidlice | přímý | THT | a+b+c | zásuvka | Výkr. 4. |
| ZDIN-CF-96K | 96 | zásuvka | úhlové 90° | THT | a+b+c | zástrčka | Výkr. 3. |
| ZDIN-CF-96P | 96 | zásuvka | přímý | THT | a+b+c | zástrčka | Výkr. 2. |
| Symbol: (ZDIN-CF-xxP, ZDIN-CM-64P) | |
|---|---|
| Délka vývodů | 4mm |