| Symbol | Betriebsmodi | UStrom | Ic | B. Spalte | B. Blende | Montage |
|---|---|---|---|---|---|---|
| [V DC] | [mA] | [mm] | [mm] | |||
| EE-1005 | - | - | - | - | - | Klemme |
| EE-SB5B | LIGHT-ON | 1,2...1,5 | 30 | - | 9,8 | Schraube M3 |
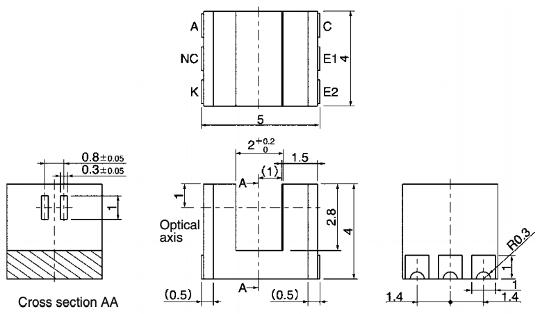
| EE-SX1018 | DARK-ON | 4 | 20 | 2 | 0,5 | THT |
| EE-SX1025 | - | 1,2...1,5 | 30 | 2,8 | 1,5 | THT |
| EE-SX1035 | - | 1,2...1,5 | 30 | 5,2 | 1 | PCB |
| EE-SX1041 | DARK-ON | 4 | 20 | 5 | 0,5 | THT |
| EE-SX1042 | DARK-ON | 4 | 20 | 5 | 0,5 | THT |
| EE-SX1046 | DARK-ON | 4 | 20 | 3 | 0,5 | THT |
| EE-SX1055 | DARK-ON | 4 | 20 | 2,8 | 0,5 | THT |
| EE-SX1070 | DARK-ON | 4 | 20 | 8 | 0,5 | THT |
| EE-SX1071 | DARK-ON | 4 | 20 | 3,4 | 0,5 | THT |
| EE-SX1081 | DARK-ON | 4 | 20 | 5 | 0,5 | THT |
| EE-SX1088-Q | DARK-ON | 4 | 20 | 3,4 | 0,5 | THT |
| EE-SX1088-W11 | - | 1,2...1,5 | 20 | 3,4 | 0,5 | Schraube M3 |
| EE-SX1096 | DARK-ON | 4 | 20 | 3,4 | 0,5 | THT |
| EE-SX1096-W11 | - | - | 20 | 3,4 | 0,5 | Schraube M3 |
| EE-SX1103 | DARK-ON | 5 | 30 | 2 | 0,4 | THT |
| EE-SX1105 | DARK-ON | 5 | 30 | 2 | 0,4 | THT |
| EE-SX1106 | DARK-ON | 5 | 30 | 3 | 0,4 | THT |
| EE-SX1131 | DARK-ON | 5 | 20 | 2 | 0,3 | SMT |
| EE-SX1140 | DARK-ON | 4 | 20 | 14 | 1,5 | THT |
| EE-SX1160-W11 | - | - | 20 | 9,5 | 1,1 | Schraube M3 |
| EE-SX1161-W11 | - | 1,2...1,5 | 20 | 5,2 | 1,1 | Schraube M3 |
| EE-SX1320 | DARK-ON | 5 | 20 | 2 | 0,3 | SMT |
| EE-SX1320-PRJ | DARK-ON | 5 | 20 | 2 | 0,3 | SMT |
| EE-SX1321 | - | 1,1...1,3 | 20 | 2 | 1,4 | SMT |
| EE-SX1330 | DARK-ON | 5 | 20 | 3 | 0,3 | SMT |
| EE-SX1340 | - | 1,2...1,5 | 30 | 4 | 1,4 | SMT |
| EE-SX1350 | - | 1,2...1,5 | 30 | 5 | 1,4 | PCB |
| EE-SX198 | DARK-ON | 4 | 20 | 3 | 0,5 | THT |
| EE-SX199 | DARK-ON | 4 | 20 | 3 | 0,5 | THT |
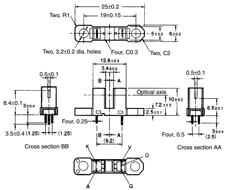
| EE-SX3009-P1 | DARK-ON | 10 | 16 | 5 | 0,5 | Schrauben |
| EE-SX3070 | DARK-ON | 4,5...16 | 16 | 8 | 0,5 | THT |
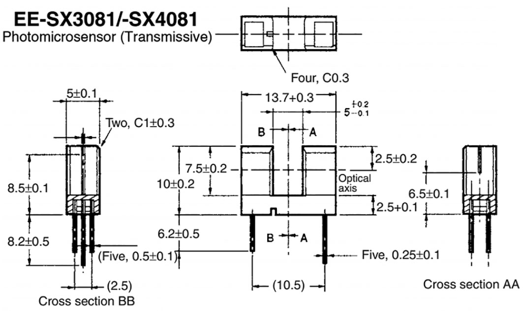
| EE-SX3081 | DARK-ON | 4,5...16 | 16 | 5 | 0,5 | THT |
| EE-SX3088 | DARK-ON | 4,5...16 | 16 | 3,4 | 0,5 | THT |
| EE-SX3088-W11 | DARK-ON | 4,5...16 | 20 | 3,4 | 0,5 | Schraube M3 |
| EE-SX3096-W11 | DARK-ON | 4,5...16 | 20 | 3,4 | 0,5 | Schraube M3 |
| EE-SX3160-W11 | DARK-ON | 4,5...16 | 20 | 9,5 | 0,5 | Schraube M3 |
| EE-SX3161-W11 | DARK-ON | 4,5...16 | 20 | 4,55 | 1,1 | Schraube M3 |
| EE-SX3162-P1-Z | DARK-ON | 10,8...13,2 | 25 | 5 | 0,5 | Schraube M2 |
| EE-SX3162-P2 | DARK-ON | 4,5...5,5 | 25 | 5 | 1,4 | Schraube M2 |
| EE-SX3163-P2 | DARK-ON | 4,5...5,5 | 25 | 5 | 1,4 | Schraube M2 |
| EE-SX3164-P1 | DARK-ON | 10,8...13,2 | 25 | 5 | 0,5 | Schraube M2 |
| EE-SX3164-P2 | DARK-ON | 4,5...5,5 | 25 | 5 | 1,4 | Schraube M2 |
| EE-SX3173-P2 | DARK-ON | 5 | 25 | 5 | 1,4 | Schraube M3 |
| EE-SX3173-P3-Z | DARK-ON | 24 | 15 | 5 | 1,4 | Schraube M3 |
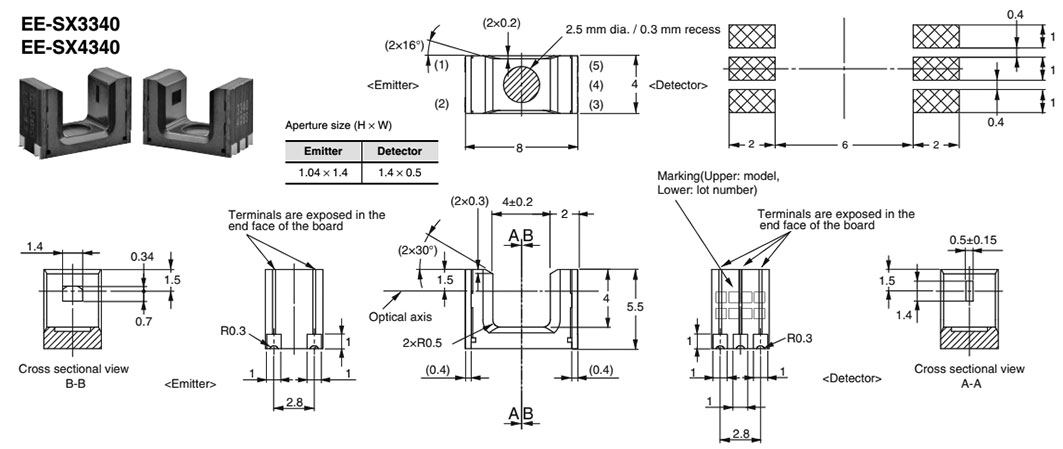
| EE-SX3340 | DARK-ON | 1,2...1,5 | 30 | 4 | 1,4 | SMT |
| EE-SX3350 | DARK-ON | 1,2...1,5 | 30 | 5 | 1,4 | PCB |
| EE-SX384 | DARK-ON | 4 | 16 | 3,5 | 0,5 | THT |
| EE-SX398 | DARK-ON | 4,5...16 | 16 | 3 | 0,5 | THT |
| EE-SX4009-P1 | DARK-ON | 10 | 16 | 5 | 0,5 | Schrauben |
| EE-SX4009-P10 | DARK-ON | 10 | 16 | 5 | 0,5 | Schrauben |
| EE-SX4009-P1-MID-1 | - | 10 | 16 | 5 | 0,5 | Schrauben |
| EE-SX4070 | LIGHT-ON | 4,5...16 | 16 | 8 | 0,5 | THT |
| EE-SX4081 | LIGHT-ON | 1,2...1,5 | 20 | 5 | 1,4 | THT |
| EE-SX4088-W11 | LIGHT-ON | 4,5...16 | 20 | 3,4 | 0,5 | Schraube M3 |
| EE-SX4096-W11 | LIGHT-ON | 4,5...16 | 20 | 3,4 | 0,5 | Schraube M3 |
| EE-SX4160-W11 | LIGHT-ON | 4,5...16 | 20 | 9,5 | 1,1 | Schraube M3 |
| EE-SX4161-W11 | LIGHT-ON | 4,5...16 | 20 | 4,55 | 1,1 | Schraube M3 |
| EE-SX4162-P1 | LIGHT-ON | 10,8...13,2 | 25 | 5 | 0,5 | Schraube M2 |
| EE-SX4162-P1-Z | LIGHT-ON | 10,8...13,2 | 25 | 5 | 0,5 | Schraube M2 |
| EE-SX4162-P2 | LIGHT-ON | 4,5...5 | 25 | 5 | 1,4 | Schraube M3 |
| EE-SX4163-P1 | LIGHT-ON | 10,8...13,2 | 25 | 5 | 0,5 | Schraube M2 |
| EE-SX4163-P2 | LIGHT-ON | 4,5...5 | 25 | 5 | 1,4 | Schraube M3 |
| EE-SX4164-P1 | LIGHT-ON | 10,8...13,2 | 25 | 5 | 0,5 | Schraube M2 |
| EE-SX4164-P2 | LIGHT-ON | 4,5...5 | 25 | 5 | 1,4 | Schraube M3 |
| EE-SX4173-P2 | LIGHT-ON | 4,5...5,5/5 | 25 | 5 | 0,5 | Schraube M3 |
| EE-SX4173-P3-Z | LIGHT-ON | 21,6...26,6/24 | 15 | 5 | 0,5 | Schraube M3 |
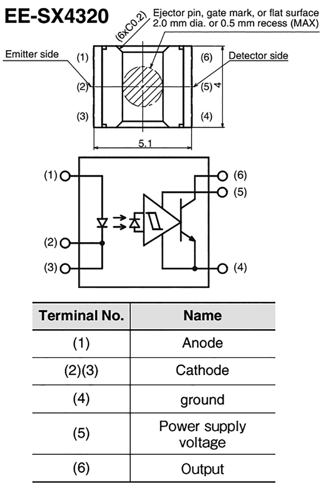
| EE-SX4320 | LIGHT-ON | 1,2...1,4 | 20 | 2 | 1,4 | SMT |
| EE-SX4330 | LIGHT-ON | 2,2...7 | 20 | 3 | 1,5 | PCB |
| EE-SX4330-1 | LIGHT-ON | 2,2...7 | 20 | 3 | 1,5 | PCB |
| EE-SX4340 | LIGHT-ON | 4,5...16 | 20 | 4 | 1,4 | PCB |
| EE-SX4350 | LIGHT-ON | 1,2...1,5 | 30 | 5 | 1,4 | PCB |
| EE-SX460-P1 | DARK-ON | 10 | 16 | 5 | 0,5 | SNAP-IN |
| EE-SX460-P1-CHN | DARK-ON | 10 | 16 | 5 | 0,5 | SNAP-IN |
| EE-SX484 | LIGHT-ON | 4,5...16 | 20 | 3,5 | 0,5 | THT |
| EE-SX493 | - | 4,5...16 | 20 | 2 | 0,2 | THT |
| EE-SX498 | LIGHT-ON | 4,5...16 | 16 | 3 | 0,5 | THT |
| Symbol | Sensoren-Typ | Reaktions-Art | Anschl. elektr. | Temp. Betrieb | Abmessungen | Idealschema | Leitungslänge |
|---|---|---|---|---|---|---|---|
| [°C] | [m] | ||||||
| EE-1005 | Adapter für Sensor | - | - | -30...85 | Abb.1-1. | Abb.2-1. | - |
| EE-SB5B | Spiegelung | reflektierend/reflektierend mit Reflektor/Sender-Empfänger | THT | -25...85 | Abb.1-2. | Abb.2-2. | - |
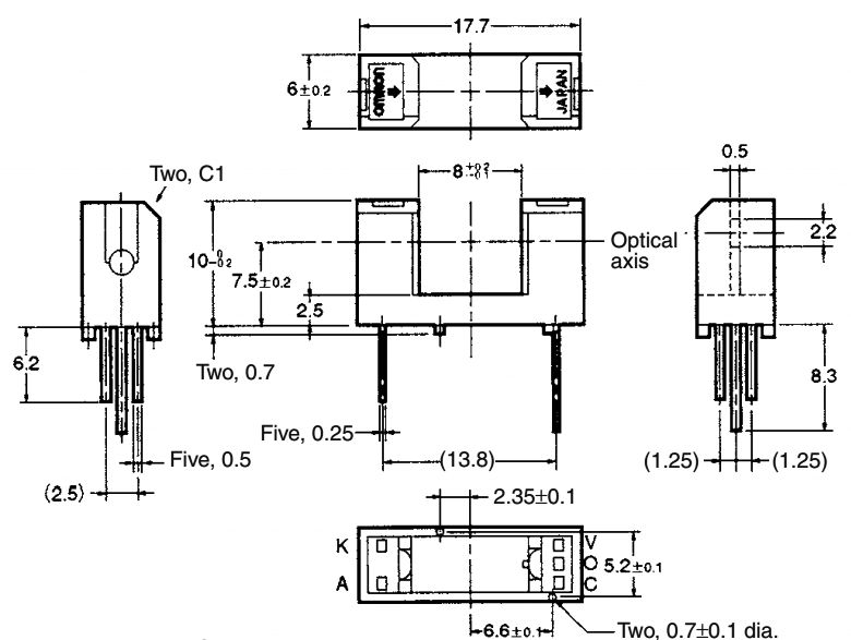
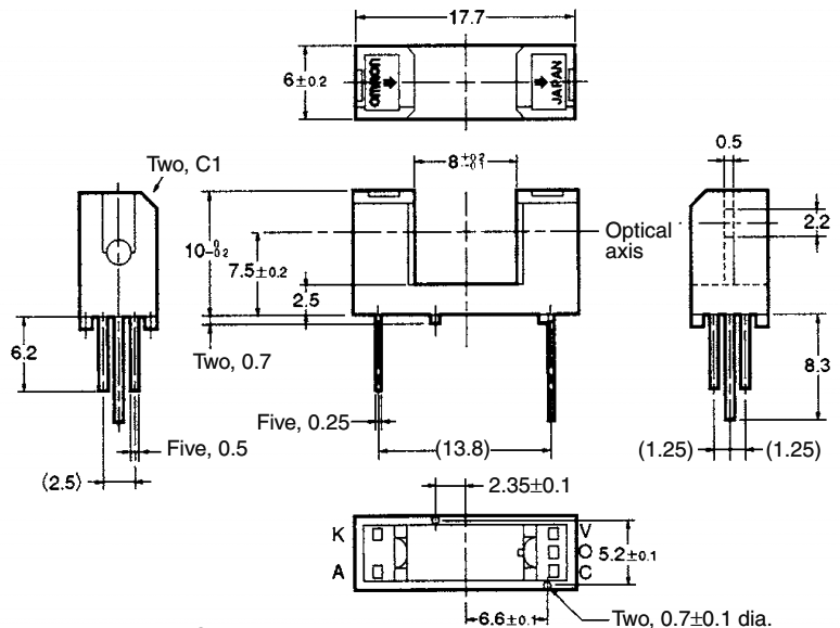
| EE-SX1018 | fotoelektrisch | Sender - Empfänger (Steckplatz) | - | -25...85 | Abb.1-3. | Abb.2-3. | - |
| EE-SX1025 | fotoelektrisch | Sender - Empfänger (Steckplatz) | - | -25...75 | Abb.1-4. | Abb.2-4. | - |
| EE-SX1035 | fotoelektrisch | Sender - Empfänger (Steckplatz) | - | -25...85 | Abb.1-5. | Abb.2-5. | - |
| EE-SX1041 | fotoelektrisch | Sender - Empfänger (Steckplatz) | - | -25...95 | Abb.1-6. | Abb.2-6. | - |
| EE-SX1042 | fotoelektrisch | Sender - Empfänger (Steckplatz) | - | -25...85 | Abb.1-7. | Abb.2-7. | - |
| EE-SX1046 | fotoelektrisch | Sender - Empfänger (Steckplatz) | - | -25...85 | Abb.1-8. | Abb.2-8. | - |
| EE-SX1055 | fotoelektrisch | Sender - Empfänger (Steckplatz) | - | -25...85 | Abb.1-9. | Abb.2-9. | - |
| EE-SX1070 | fotoelektrisch | Sender - Empfänger (Steckplatz) | - | -25...95 | Abb.1-10. | Abb.2-4. | - |
| EE-SX1071 | fotoelektrisch | Sender - Empfänger (Steckplatz) | - | -25...85 | Abb.1-11. | Abb.2-10. | - |
| EE-SX1081 | fotoelektrisch | Sender - Empfänger (Steckplatz) | - | -25...85 | Abb.1-12. | Abb.2-11. | - |
| EE-SX1088-Q | fotoelektrisch | Sender - Empfänger (Steckplatz) | - | -25...85 | Abb.1-13. | Abb.2-12. | - |
| EE-SX1088-W11 | fotoelektrisch | Sender - Empfänger (Steckplatz) | Leitungen | -25...85 | Abb.1-14. | Abb.2-13. | 0,5 |
| EE-SX1096 | fotoelektrisch | Sender - Empfänger (Steckplatz) | - | -25...85 | Abb.1-15. | Abb.2-14. | - |
| EE-SX1096-W11 | fotoelektrisch | Sender - Empfänger (Steckplatz) | - | -25...80 | - | - | - |
| EE-SX1103 | fotoelektrisch | Sender - Empfänger (Steckplatz) | - | -25...85 | Abb.1-16. | Abb.2-15. | - |
| EE-SX1105 | fotoelektrisch | Sender - Empfänger (Steckplatz) | - | -25...85 | Abb.1-17. | Abb.2-16. | - |
| EE-SX1106 | fotoelektrisch | Sender - Empfänger (Steckplatz) | - | -25...85 | Abb.1-18. | Abb.2-17. | - |
| EE-SX1131 | fotoelektrisch | Sender - Empfänger (Steckplatz) | - | -30...85 | Abb.1-19. | Abb.2-18. | - |
| EE-SX1140 | fotoelektrisch | Sender - Empfänger (Steckplatz) | - | -25...85 | Abb.1-20. | Abb.2-19. | - |
| EE-SX1160-W11 | fotoelektrisch | Sender - Empfänger (Steckplatz) | - | -25...80 | - | - | - |
| EE-SX1161-W11 | fotoelektrisch | Sender - Empfänger (Steckplatz) | Leitungen | -25...85 | Abb.1-21. | Abb.2-13. | 0,5 |
| EE-SX1320 | fotoelektrisch | Sender - Empfänger (Steckplatz) | - | -30...85 | - | - | - |
| EE-SX1320-PRJ | fotoelektrisch | Sender - Empfänger (Steckplatz) | - | -30...85 | - | - | - |
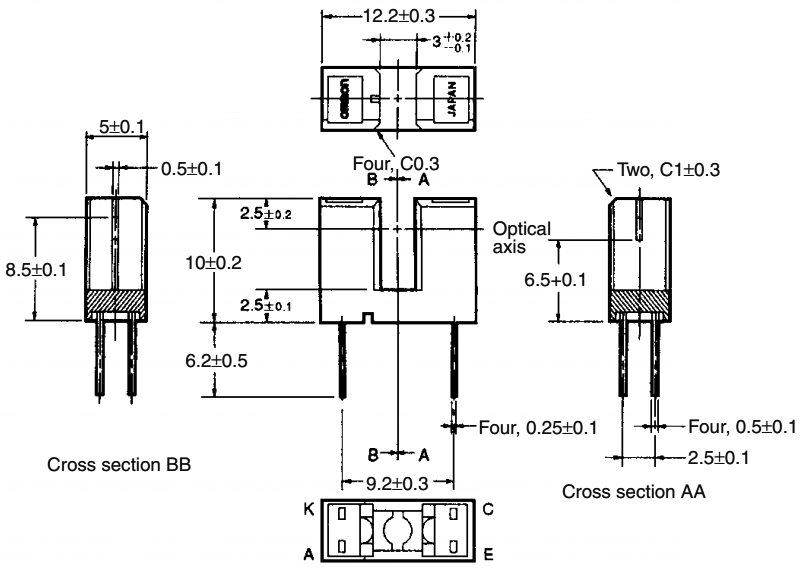
| EE-SX1321 | fotoelektrisch | Sender - Empfänger (Steckplatz) | SMD | -30...85 | Abb.1-22. | Abb.2-20. | - |
| EE-SX1330 | fotoelektrisch | Sender - Empfänger (Steckplatz) | - | -30...85 | - | - | - |
| EE-SX1340 | fotoelektrisch | Sender - Empfänger (Steckplatz) | SMD | -30...85 | Abb.1-23. | Abb.2-21. | - |
| EE-SX1350 | fotoelektrisch | Sender - Empfänger (Steckplatz) | SMD | -30...85 | Abb.1-24. | Abb.2-22. | - |
| EE-SX198 | fotoelektrisch | Sender - Empfänger (Steckplatz) | - | -25...85 | Abb.1-25. | Abb.2-23. | - |
| EE-SX199 | fotoelektrisch | Sender - Empfänger (Steckplatz) | - | -25...85 | Abb.1-26. | Abb.2-24. | - |
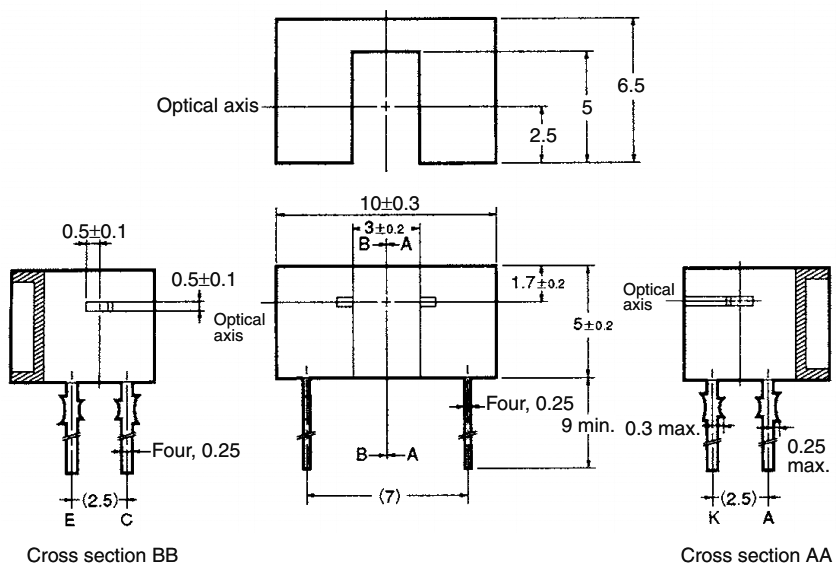
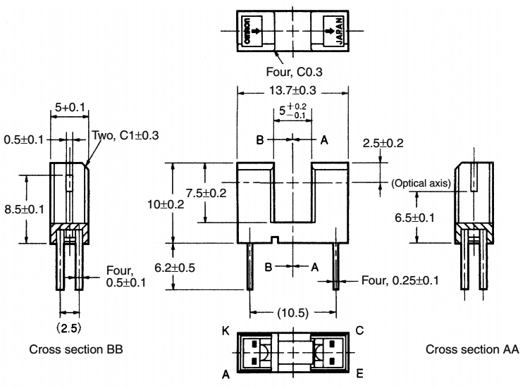
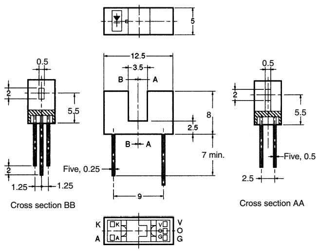
| EE-SX3009-P1 | fotoelektrisch | Sender - Empfänger (Steckplatz) | Stift | -20...75 | Abb.1-27. | Abb.2-25. | - |
| EE-SX3070 | fotoelektrisch | Sender - Empfänger (Steckplatz) | - | -40...75 | Abb.1-28. | Abb.2-26. | - |
| EE-SX3081 | fotoelektrisch | Sender - Empfänger (Steckplatz) | - | -40...75 | Abb.1-29. | Abb.2-27. | - |
| EE-SX3088 | fotoelektrisch | Sender - Empfänger (Steckplatz) | - | -40...75 | Abb.1-30. | Abb.2-28. | - |
| EE-SX3088-W11 | fotoelektrisch | Sender - Empfänger (Steckplatz) | - | -25...75 | - | - | - |
| EE-SX3096-W11 | fotoelektrisch | Sender - Empfänger (Steckplatz) | - | -25...75 | - | - | - |
| EE-SX3160-W11 | fotoelektrisch | Sender - Empfänger (Steckplatz) | - | -25...75 | - | - | - |
| EE-SX3161-W11 | fotoelektrisch | Sender - Empfänger (Steckplatz) | - | -25...75 | - | - | - |
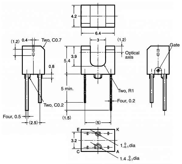
| EE-SX3162-P1-Z | fotoelektrisch | Sender - Empfänger (Steckplatz) | Stecker EE-5002 1M | -20...85 | - | - | - |
| EE-SX3162-P2 | fotoelektrisch | Sender - Empfänger (Steckplatz) | Stecker EE-5002 1M | -20...85 | Abb.1-31. | Abb.2-29. | - |
| EE-SX3163-P2 | fotoelektrisch | Sender - Empfänger (Steckplatz) | Stecker EE-5002 1M | -20...85 | Abb.1-32. | Abb.2-30. | - |
| EE-SX3164-P1 | fotoelektrisch | Sender - Empfänger (Steckplatz) | Stecker EE-5002 1M | -20...85 | - | - | - |
| EE-SX3164-P2 | fotoelektrisch | Sender - Empfänger (Steckplatz) | Stecker EE-5002 1M | -25...85 | Abb.1-33. | Abb.2-31. | - |
| EE-SX3173-P2 | fotoelektrisch | Sender - Empfänger (Steckplatz) | Stecker EE-5002 1M | -25...85 | Abb.1-34. | Abb.2-32. | - |
| EE-SX3173-P3-Z | fotoelektrisch | Sender - Empfänger (Steckplatz) | Stecker EE-5002 1M | -25...85 | Abb.1-34. | Abb.2-32. | - |
| EE-SX3340 | fotoelektrisch | Sender - Empfänger (Steckplatz) | SMD | -30...85 | Abb.1-35. | Abb.2-33. | - |
| EE-SX3350 | fotoelektrisch | Sender - Empfänger (Steckplatz) | SMD | -30...85 | Abb.1-36. | Abb.2-34. | - |
| EE-SX384 | fotoelektrisch | Sender - Empfänger (Steckplatz) | - | -40...75 | Abb.1-37. | Abb.2-35. | - |
| EE-SX398 | fotoelektrisch | Sender - Empfänger (Steckplatz) | - | -40...75 | Abb.1-38. | Abb.2-36. | - |
| EE-SX4009-P1 | fotoelektrisch | Sender - Empfänger (Steckplatz) | Stift | -25...75 | Abb.1-39. | Abb.2-37. | - |
| EE-SX4009-P10 | fotoelektrisch | Sender - Empfänger (Steckplatz) | Stift | -25...75 | Abb.1-40. | Abb.2-38. | - |
| EE-SX4009-P1-MID-1 | fotoelektrisch | Sender - Empfänger (Steckplatz) | - | -25...75 | - | - | - |
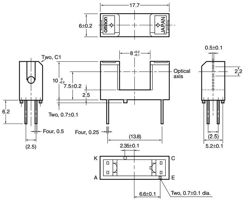
| EE-SX4070 | fotoelektrisch | Sender - Empfänger (Steckplatz) | - | -40...75 | Abb.1-41. | Abb.2-39. | - |
| EE-SX4081 | fotoelektrisch | Sender - Empfänger (Steckplatz) | THT | -40...75 | Abb.1-42. | Abb.2-40. | - |
| EE-SX4088-W11 | fotoelektrisch | Sender - Empfänger (Steckplatz) | - | -25...75 | - | - | - |
| EE-SX4096-W11 | fotoelektrisch | Sender - Empfänger (Steckplatz) | - | -25...75 | - | - | - |
| EE-SX4160-W11 | fotoelektrisch | Sender - Empfänger (Steckplatz) | - | -25...75 | - | - | - |
| EE-SX4161-W11 | fotoelektrisch | Sender - Empfänger (Steckplatz) | - | -25...75 | - | - | - |
| EE-SX4162-P1 | fotoelektrisch | Sender - Empfänger (Steckplatz) | Stecker EE-5002 1M | -20...85 | - | - | - |
| EE-SX4162-P1-Z | fotoelektrisch | Sender - Empfänger (Steckplatz) | Stecker EE-5002 1M | -20...85 | - | - | - |
| EE-SX4162-P2 | fotoelektrisch | Sender - Empfänger (Steckplatz) | Stecker EE-5002 1M | -25...85 | Abb.1-31. | Abb.2-29. | - |
| EE-SX4163-P1 | fotoelektrisch | Sender - Empfänger (Steckplatz) | Stecker EE-5002 1M | -20...85 | - | - | - |
| EE-SX4163-P2 | fotoelektrisch | Sender - Empfänger (Steckplatz) | Stecker EE-5002 1M | -25...85 | Abb.1-32. | Abb.2-30. | - |
| EE-SX4164-P1 | fotoelektrisch | Sender - Empfänger (Steckplatz) | Stecker EE-5002 1M | -20...85 | - | - | - |
| EE-SX4164-P2 | fotoelektrisch | Sender - Empfänger (Steckplatz) | Stecker EE-5002 1M | -25...85 | Abb.1-33. | Abb.2-31. | - |
| EE-SX4173-P2 | fotoelektrisch | Sender - Empfänger (Steckplatz) | Stecker EE-5002 1M | -25...55 | - | - | - |
| EE-SX4173-P3-Z | fotoelektrisch | Sender - Empfänger (Steckplatz) | Stecker EE-5002 1M | -25...55 | - | - | - |
| EE-SX4320 | fotoelektrisch | Sender - Empfänger (Steckplatz) | SMD | -30...85 | Abb.1-43. | Abb.2-41. | - |
| EE-SX4330 | fotoelektrisch | Sender - Empfänger (Steckplatz) | SMD | -30...85 | - | - | - |
| EE-SX4330-1 | fotoelektrisch | Sender - Empfänger (Steckplatz) | SMD | -30...85 | - | - | - |
| EE-SX4340 | fotoelektrisch | Sender - Empfänger (Steckplatz) | SMD | -30...85 | - | - | - |
| EE-SX4350 | fotoelektrisch | Sender - Empfänger (Steckplatz) | SMD | -30...85 | Abb.1-36. | Abb.2-34. | - |
| EE-SX460-P1 | fotoelektrisch | Sender - Empfänger (Steckplatz) | Stift | -20...75 | Abb.1-44. | Abb.2-42. | - |
| EE-SX460-P1-CHN | fotoelektrisch | Sender - Empfänger (Steckplatz) | - | -20...75 | Abb.1-44. | Abb.2-42. | - |
| EE-SX484 | fotoelektrisch | Sender - Empfänger (Steckplatz) | THT | -40...75 | - | - | - |
| EE-SX493 | fotoelektrisch | Sender - Empfänger (Steckplatz) | THT | -40...60 | - | - | - |
| EE-SX498 | fotoelektrisch | Sender - Empfänger (Steckplatz) | - | -40...75 | Abb.1-38. | Abb.2-36. | - |