| Κατασκευαστής | RECOM |
| Τύπος μετατροπέας | DC/DC |
| Σύμβολο | Προστασία | Ισχύς | Σειρά κατασκευαστή | Περίβλημα | Διαστάσεις | Uμόνω | Αριθμός εξόδων | Uεισόδ | Uεξόδ | Uεξόδ.2 | Uεξόδ. 3 | Iεξόδ | Iεξόδ 2 | Iεξόδ. 3 | Αποδοτικότητα | Θερμοκρασία λειτουργίας | Διαστάσεις εξωτ. | Συναρμολόγηση |
|---|---|---|---|---|---|---|---|---|---|---|---|---|---|---|---|---|---|---|
| [W] | [V DC] | [V DC] | [V DC] | [V DC] | [V DC] | [A] | [A] | [mA] | [%] | [°C] | [mm] | |||||||
| RMD150-110-24SUW | υπερέντασης OCP, υπερφόρτωση OVP, έναντι βραχυκυκλώματος SCP, υπερθέρμανση OTP | 150 | RMD150-UW | - | - | - | 1 | 16,8...137,5 | 24 | - | - | 6,88 | - | - | 94 | -40...85 | 188,6x116x42,5 | - |
| RMD300-110-24SUW | υπερέντασης OCP, υπερφόρτωση OVP, έναντι βραχυκυκλώματος SCP, υπερθέρμανση OTP | 300 | RMD300-UW | - | - | - | 1 | 16,8...137,5 | 24 | - | - | 13,75 | - | - | 94 | -40...85 | 209x141x48 | - |
| RMD500-110-24SEW | υπερέντασης OCP, υπερφόρτωση OVP, έναντι βραχυκυκλώματος SCP, υπερθέρμανση OTP | 500 | RMD500-EW | - | - | - | 1 | 50,4...137,5 | 24 | - | - | 21 | - | - | 95 | -40...85 | 209x141x48 | - |
| RMOD30080122CTRLMO | υπερέντασης OCP, υπερφόρτωση OVP, έναντι βραχυκυκλώματος SCP, υπερθέρμανση OTP | 300 | RMOD300-UW | - | - | 2,25k | 1 | 18...106 | 12,2 | - | - | 24 | - | - | 88 | -40...125 | 190x76x44 | Βιδωτά |
| RMOD30080122SUWFMO | υπερέντασης OCP, υπερφόρτωση OVP, έναντι βραχυκυκλώματος SCP, υπερθέρμανση OTP | 300 | RMOD300-UW | - | - | 2,25k | 1 | 18...106 | 12,2 | - | - | 24 | - | - | 88 | -40...125 | 190x76x44 | Βιδωτά |
| RMOD30080122SUWMO | υπερέντασης OCP, υπερφόρτωση OVP, έναντι βραχυκυκλώματος SCP, υπερθέρμανση OTP | 300 | RMOD300-UW | - | - | 2,25k | 1 | 18...106 | 12,2 | - | - | 24 | - | - | 88 | -40...125 | 190x76x44 | Βιδωτά |
| RMOD30080137CTRLMO | υπερέντασης OCP, υπερφόρτωση OVP, έναντι βραχυκυκλώματος SCP, υπερθέρμανση OTP | 300 | RMOD300-UW | - | - | 2,25k | 1 | 18...106 | 13,7 | - | - | 22 | - | - | 89 | -40...125 | 190x76x44 | Βιδωτά |
| RMOD30080137SUWFDT | υπερέντασης OCP, υπερφόρτωση OVP, έναντι βραχυκυκλώματος SCP, υπερθέρμανση OTP | 300 | RMOD300-UW | - | - | 2,25k | 1 | 18...106 | 13,7 | - | - | 22 | - | - | 89 | -40...125 | 190x76x44 | Βιδωτά |
| RMOD30080137SUWFMO | υπερέντασης OCP, υπερφόρτωση OVP, έναντι βραχυκυκλώματος SCP, υπερθέρμανση OTP | 300 | RMOD300-UW | - | - | 2,25k | 1 | 18...106 | 13,7 | - | - | 22 | - | - | 89 | -40...125 | 190x76x44 | Βιδωτά |
| RMOD30080137SUWMO | υπερέντασης OCP, υπερφόρτωση OVP, έναντι βραχυκυκλώματος SCP, υπερθέρμανση OTP | 300 | RMOD300-UW | - | - | 2,25k | 1 | 18...106 | 13,7 | - | - | 22 | - | - | 89 | -40...125 | 190x76x44 | Βιδωτά |
| RMOD30080245CTRLMO | υπερέντασης OCP, υπερφόρτωση OVP, έναντι βραχυκυκλώματος SCP, υπερθέρμανση OTP | 300 | RMOD300-UW | - | - | 2,25k | 1 | 18...106 | 24,5 | - | - | 12,5 | - | - | 91 | -40...125 | 190x76x44 | Βιδωτά |
| RMOD30080245SUWFDT | υπερέντασης OCP, υπερφόρτωση OVP, έναντι βραχυκυκλώματος SCP, υπερθέρμανση OTP | 300 | RMOD300-UW | - | - | 2,25k | 1 | 18...106 | 24,5 | - | - | 12,5 | - | - | 91 | -40...125 | 190x76x44 | Βιδωτά |
| RMOD30080245SUWFMO | υπερέντασης OCP, υπερφόρτωση OVP, έναντι βραχυκυκλώματος SCP, υπερθέρμανση OTP | 300 | RMOD300-UW | - | - | 2,25k | 1 | 18...106 | 24,5 | - | - | 12,5 | - | - | 91 | -40...125 | 190x76x44 | Βιδωτά |
| RMOD30080245SUWMO | υπερέντασης OCP, υπερφόρτωση OVP, έναντι βραχυκυκλώματος SCP, υπερθέρμανση OTP | 300 | RMOD300-UW | - | - | 2,25k | 1 | 18...106 | 24,5 | - | - | 12,5 | - | - | 91 | -40...125 | 190x76x44 | Βιδωτά |
| RMOD36080245CTRLMO | υπερέντασης OCP, υπερφόρτωση OVP, έναντι βραχυκυκλώματος SCP, υπερθέρμανση OTP | 360 | RMOD360-UW | - | - | 2,25k | 1 | 18...106 | 24,5 | - | - | 15 | - | - | 89 | -40...125 | 190x76x44 | Βιδωτά |
| RMOD36080245SUWFMO | υπερέντασης OCP, υπερφόρτωση OVP, έναντι βραχυκυκλώματος SCP, υπερθέρμανση OTP | 360 | RMOD360-UW | - | - | 2,25k | 1 | 18...106 | 24,5 | - | - | 15 | - | - | 89 | -40...125 | 190x76x44 | Βιδωτά |
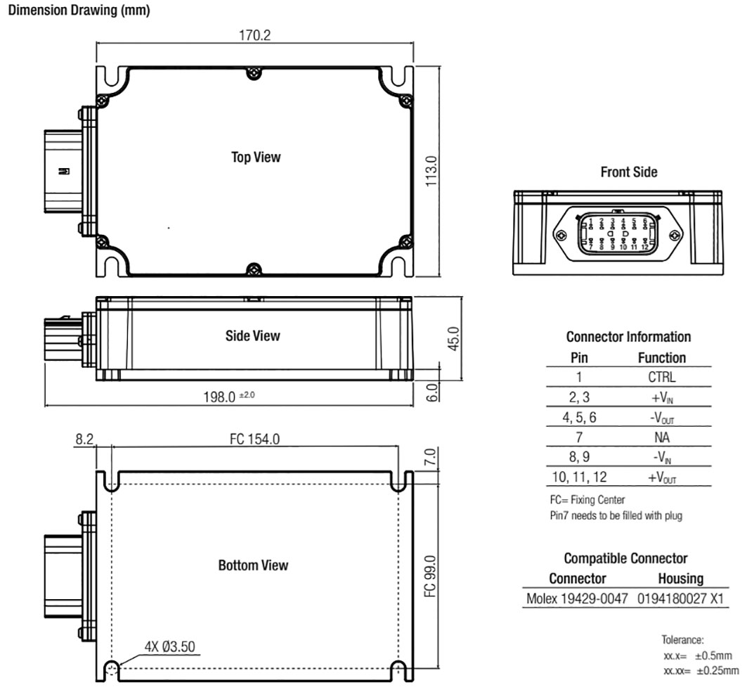
| RMOD400-28-13SW | υπερέντασης OCP, υπερφόρτωση OVP, έναντι βραχυκυκλώματος SCP, αντίστροφης πόλωσης, υπερθέρμανση OTP | 400 | RMOD400-W | - | Σχ.1. | 2,5k | 1 | 16,8...56 | 13 | - | - | 30,8 | - | - | 85 | -35...85 | 203x115x61 | Βιδωτά |
| RMOD400-60-24SW | υπερέντασης OCP, υπερφόρτωση OVP, έναντι βραχυκυκλώματος SCP, αντίστροφης πόλωσης, υπερθέρμανση OTP | 400 | RMOD400-W | - | Σχ.1. | 2,5k | 1 | 33,6...96 | 24 | - | - | 16,7 | - | - | 85 | -35...85 | 203x115x61 | Βιδωτά |
| RMOD400-80-13SEW | υπερέντασης OCP, υπερφόρτωση OVP, έναντι βραχυκυκλώματος SCP, αντίστροφης πόλωσης, υπερθέρμανση OTP | 400 | RMOD400-EW | - | Σχ.2. | 2,5k | 1 | 33,6...125 | 13 | - | - | 30,8 | - | - | 80 | -35...85 | 203x115x61 | Βιδωτά |
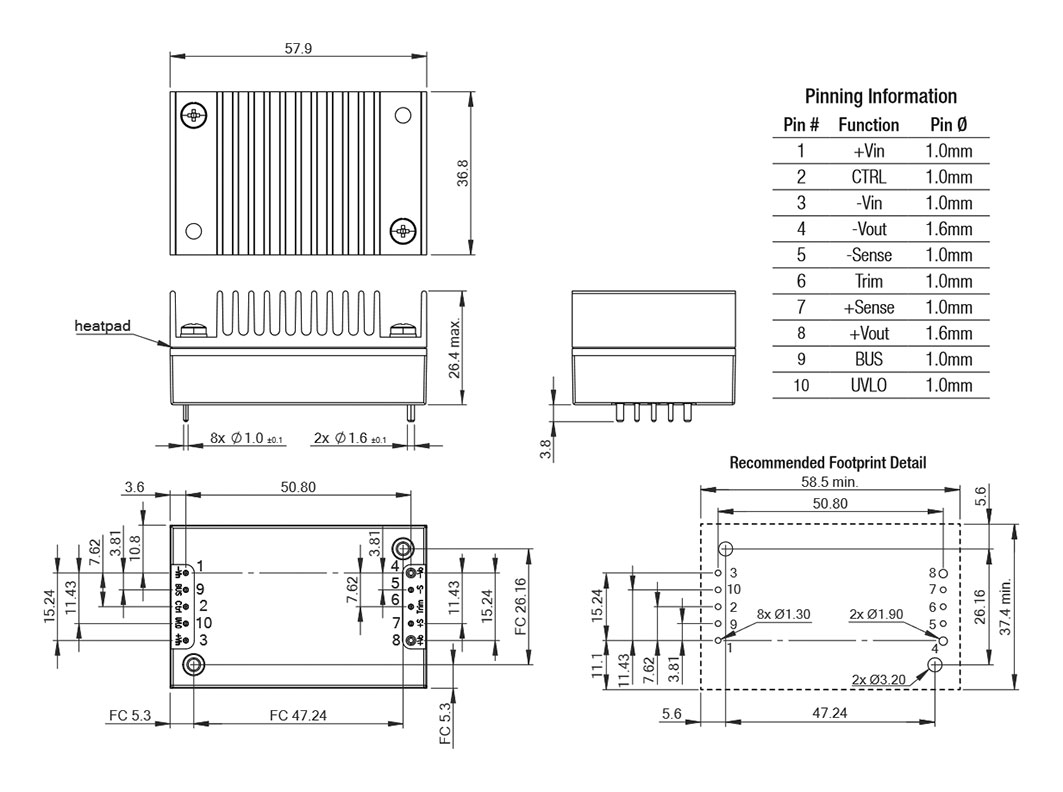
| RMOD50060-11.7SWOR | υπερέντασης OCP, υπερφόρτωση OVP, έναντι βραχυκυκλώματος SCP, υπερθέρμανση OTP | 500 | RMOD500-W | - | Σχ.3. | 2,25k | 1 | 32...96 | 11,7 | - | - | 42,5 | - | - | 88,2 | -40...90 | 198x113x45 | Βιδωτά |
| RMOD500-60-12.4SW | υπερέντασης OCP, υπερφόρτωση OVP, έναντι βραχυκυκλώματος SCP, υπερθέρμανση OTP | 500 | RMOD500-W | - | Σχ.3. | 2,25k | 1 | 32...96 | 12,4 | - | - | 40 | - | - | 88,2 | -40...90 | 198x113x45 | Βιδωτά |
| RMOD500-60-13.7SW | υπερέντασης OCP, υπερφόρτωση OVP, έναντι βραχυκυκλώματος SCP, υπερθέρμανση OTP | 500 | RMOD500-W | - | Σχ.3. | 2,25k | 1 | 32...96 | 13,7 | - | - | 36,5 | - | - | 89,5 | -40...90 | 198x113x45 | Βιδωτά |
| RMOD500-60-13SW/OR | υπερέντασης OCP, υπερφόρτωση OVP, έναντι βραχυκυκλώματος SCP, υπερθέρμανση OTP | 500 | RMOD500-W | - | Σχ.3. | 2,25k | 1 | 32...96 | 13 | - | - | 38,5 | - | - | 89,5 | -40...90 | 198x113x45 | Βιδωτά |
| RMOD50060-23.5SWOR | υπερέντασης OCP, υπερφόρτωση OVP, έναντι βραχυκυκλώματος SCP, υπερθέρμανση OTP | 500 | RMOD500-W | - | Σχ.3. | 2,25k | 1 | 32...96 | 23,5 | - | - | 21 | - | - | 91,5 | -40...90 | 198x113x45 | Βιδωτά |
| RMOD500-60-24.5SW | υπερέντασης OCP, υπερφόρτωση OVP, έναντι βραχυκυκλώματος SCP, υπερθέρμανση OTP | 500 | RMOD500-W | - | Σχ.3. | 2,25k | 1 | 32...96 | 24,5 | - | - | 21 | - | - | 91,5 | -40...90 | 198x113x45 | Βιδωτά |
| RMOD600-60-24SW | υπερέντασης OCP, έναντι βραχυκυκλώματος SCP, υπερθέρμανση OTP | 600 | RMOD600-W | - | Σχ.4. | 2,5k | 1 | 33,6...96 | 24 | - | - | 25 | - | - | 89 | -35...85 | 203x115x71 | Βιδωτά |
| RMOD600-80-13SEW | υπερέντασης OCP, έναντι βραχυκυκλώματος SCP, υπερθέρμανση OTP | 600 | RMOD600-EW | - | Σχ.5. | 2,5k | 1 | 33,6...125 | 13 | - | - | 46,2 | - | - | 85 | -35...85 | 203x115x71 | Βιδωτά |
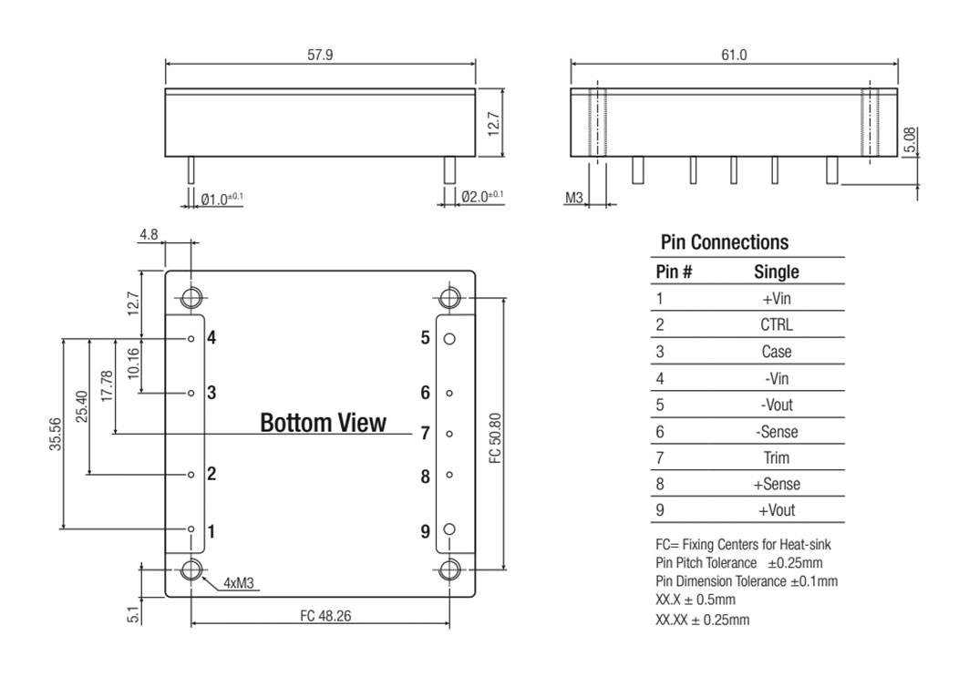
| RP100H-11005SRW/N | αντί υπερφόρτωσης OPP, υπερφόρτωση OVP, έναντι βραχυκυκλώματος SCP, υπερθέρμανση OTP | 100 | RP100H-RW | Half Brick | Σχ.6. | 3k | 1 | 43...160 | 5 | - | - | 20 | - | - | 93 | -40...85 | 61x57,9x12,7 | THT |
| RP100H-11005SRW/NH | αντί υπερφόρτωσης OPP, υπερφόρτωση OVP, έναντι βραχυκυκλώματος SCP, υπερθέρμανση OTP | 100 | RP100H-RW | Half Brick | - | 3k | 1 | 43...160 | 5 | - | - | 20 | - | - | 93 | -40...85 | 61x57,9x24,13 | THT |
| RP100H-11005SRW/P | αντί υπερφόρτωσης OPP, υπερφόρτωση OVP, έναντι βραχυκυκλώματος SCP, υπερθέρμανση OTP | 100 | RP100H-RW | Half Brick | Σχ.6. | 3k | 1 | 43...160 | 5 | - | - | 20 | - | - | 93 | -40...85 | 61x57,9x12,7 | THT |
| RP100H-11005SRW/PH | αντί υπερφόρτωσης OPP, υπερφόρτωση OVP, έναντι βραχυκυκλώματος SCP, υπερθέρμανση OTP | 100 | RP100H-RW | Half Brick | - | 3k | 1 | 43...160 | 5 | - | - | 20 | - | - | 93 | -40...85 | 61x57,9x24,13 | THT |
| RP100H-11012SRW/N | αντί υπερφόρτωσης OPP, υπερφόρτωση OVP, έναντι βραχυκυκλώματος SCP, υπερθέρμανση OTP | 100 | RP100H-RW | Half Brick | Σχ.6. | 3k | 1 | 43...160 | 12 | - | - | 8,4 | - | - | 90 | -40...85 | 61x57,9x12,7 | THT |
| RP100H-11012SRW/NH | αντί υπερφόρτωσης OPP, υπερφόρτωση OVP, έναντι βραχυκυκλώματος SCP, υπερθέρμανση OTP | 100 | RP100H-RW | Half Brick | - | 3k | 1 | 43...160 | 12 | - | - | 8,4 | - | - | 90 | -40...85 | 61x57,9x24,13 | THT |
| RP100H-11012SRW/P | αντί υπερφόρτωσης OPP, υπερφόρτωση OVP, έναντι βραχυκυκλώματος SCP, υπερθέρμανση OTP | 100 | RP100H-RW | Half Brick | Σχ.6. | 3k | 1 | 43...160 | 12 | - | - | 8,4 | - | - | 90 | -40...85 | 61x57,9x12,7 | THT |
| RP100H-11012SRW/PH | αντί υπερφόρτωσης OPP, υπερφόρτωση OVP, έναντι βραχυκυκλώματος SCP, υπερθέρμανση OTP | 100 | RP100H-RW | Half Brick | - | 3k | 1 | 43...160 | 12 | - | - | 8,4 | - | - | 90 | -40...85 | 61x57,9x24,13 | THT |
| RP100H-11015SRW/N | αντί υπερφόρτωσης OPP, υπερφόρτωση OVP, έναντι βραχυκυκλώματος SCP, υπερθέρμανση OTP | 100 | RP100H-RW | Half Brick | Σχ.6. | 3k | 1 | 43...160 | 15 | - | - | 6,7 | - | - | 91 | -40...85 | 61x57,9x12,7 | THT |
| RP100H-11015SRW/NH | αντί υπερφόρτωσης OPP, υπερφόρτωση OVP, έναντι βραχυκυκλώματος SCP, υπερθέρμανση OTP | 100 | RP100H-RW | Half Brick | - | 3k | 1 | 43...160 | 15 | - | - | 6,7 | - | - | 91 | -40...85 | 61x57,9x24,13 | THT |
| RP100H-11015SRW/P | αντί υπερφόρτωσης OPP, υπερφόρτωση OVP, έναντι βραχυκυκλώματος SCP, υπερθέρμανση OTP | 100 | RP100H-RW | Half Brick | Σχ.6. | 3k | 1 | 43...160 | 15 | - | - | 6,7 | - | - | 91 | -40...85 | 61x57,9x12,7 | THT |
| RP100H-11015SRW/PH | αντί υπερφόρτωσης OPP, υπερφόρτωση OVP, έναντι βραχυκυκλώματος SCP, υπερθέρμανση OTP | 100 | RP100H-RW | Half Brick | - | 3k | 1 | 43...160 | 15 | - | - | 6,7 | - | - | 91 | -40...85 | 61x57,9x24,13 | THT |
| RP100H-11024SRW/N | αντί υπερφόρτωσης OPP, υπερφόρτωση OVP, έναντι βραχυκυκλώματος SCP, υπερθέρμανση OTP | 100 | RP100H-RW | Half Brick | Σχ.6. | 3k | 1 | 43...160 | 24 | - | - | 4,2 | - | - | 90 | -40...85 | 61x57,9x12,7 | THT |
| RP100H-11024SRW/NH | αντί υπερφόρτωσης OPP, υπερφόρτωση OVP, έναντι βραχυκυκλώματος SCP, υπερθέρμανση OTP | 100 | RP100H-RW | Half Brick | - | 3k | 1 | 43...160 | 24 | - | - | 4,2 | - | - | 90 | -40...85 | 61x57,9x24,13 | THT |
| RP100H-11024SRW/P | αντί υπερφόρτωσης OPP, υπερφόρτωση OVP, έναντι βραχυκυκλώματος SCP, υπερθέρμανση OTP | 100 | RP100H-RW | Half Brick | Σχ.6. | 3k | 1 | 43...160 | 24 | - | - | 4,2 | - | - | 90 | -40...85 | 61x57,9x12,7 | THT |
| RP100H-11024SRW/PH | αντί υπερφόρτωσης OPP, υπερφόρτωση OVP, έναντι βραχυκυκλώματος SCP, υπερθέρμανση OTP | 100 | RP100H-RW | Half Brick | - | 3k | 1 | 43...160 | 24 | - | - | 4,2 | - | - | 90 | -40...85 | 61x57,9x24,13 | THT |
| RP100H-11048SRW/N | αντί υπερφόρτωσης OPP, υπερφόρτωση OVP, έναντι βραχυκυκλώματος SCP, υπερθέρμανση OTP | 100 | RP100H-RW | Half Brick | Σχ.6. | 3k | 1 | 43...160 | 48 | - | - | 2,1 | - | - | 90 | -40...85 | 61x57,9x12,7 | THT |
| RP100H-11048SRW/NH | αντί υπερφόρτωσης OPP, υπερφόρτωση OVP, έναντι βραχυκυκλώματος SCP, υπερθέρμανση OTP | 100 | RP100H-RW | Half Brick | - | 3k | 1 | 43...160 | 48 | - | - | 2,1 | - | - | 90 | -40...85 | 61x57,9x24,13 | THT |
| RP100H-11048SRW/P | αντί υπερφόρτωσης OPP, υπερφόρτωση OVP, έναντι βραχυκυκλώματος SCP, υπερθέρμανση OTP | 100 | RP100H-RW | Half Brick | Σχ.6. | 3k | 1 | 43...160 | 48 | - | - | 2,1 | - | - | 90 | -40...85 | 61x57,9x12,7 | THT |
| RP100H-11048SRW/PH | αντί υπερφόρτωσης OPP, υπερφόρτωση OVP, έναντι βραχυκυκλώματος SCP, υπερθέρμανση OTP | 100 | RP100H-RW | Half Brick | - | 3k | 1 | 43...160 | 48 | - | - | 2,1 | - | - | 90 | -40...85 | 61x57,9x24,13 | THT |
| RP100H-2424SRW/P | αντί υπερφόρτωσης OPP, υπερφόρτωση OVP, έναντι βραχυκυκλώματος SCP, υπερθέρμανση OTP | 100 | RP100H-RW | Half Brick | Σχ.6. | 2,25k | 1 | 9...36 | 24 | - | - | 4,2 | - | - | 90 | -40...85 | 61x57,9x12,7 | THT |
| RP120Q-11005SRW/N | αντί υπερφόρτωσης OPP, υπερφόρτωση OVP, έναντι βραχυκυκλώματος SCP, υπερθέρμανση OTP | 120 | RP120Q-RW | Quarter Brick | - | 3k | 1 | 40...160 | 5 | - | - | 24 | - | - | 89 | -40...85 | 57,9x36,6x12,7 | THT |
| RP120Q-11005SRW/NH | αντί υπερφόρτωσης OPP, υπερφόρτωση OVP, έναντι βραχυκυκλώματος SCP, υπερθέρμανση OTP | 120 | RP120Q-RW | Quarter Brick | - | 3k | 1 | 40...160 | 5 | - | - | 24 | - | - | 89 | -40...85 | 57,9x36,6x18,8 | THT |
| RP120Q-11005SRW/P | αντί υπερφόρτωσης OPP, υπερφόρτωση OVP, έναντι βραχυκυκλώματος SCP, υπερθέρμανση OTP | 120 | RP120Q-RW | Quarter Brick | - | 3k | 1 | 40...160 | 5 | - | - | 24 | - | - | 89 | -40...85 | 57,9x36,6x12,7 | THT |
| RP120Q-11005SRW/PH | αντί υπερφόρτωσης OPP, υπερφόρτωση OVP, έναντι βραχυκυκλώματος SCP, υπερθέρμανση OTP | 120 | RP120Q-RW | Quarter Brick | - | 3k | 1 | 40...160 | 5 | - | - | 24 | - | - | 89 | -40...85 | 57,9x36,6x18,8 | THT |
| RP120Q-11012SRW/N | αντί υπερφόρτωσης OPP, υπερφόρτωση OVP, έναντι βραχυκυκλώματος SCP, υπερθέρμανση OTP | 120 | RP120Q-RW | Quarter Brick | - | 3k | 1 | 40...160 | 12 | - | - | 11 | - | - | 88 | -40...85 | 57,9x36,6x12,7 | THT |
| RP120Q-11012SRW/NH | αντί υπερφόρτωσης OPP, υπερφόρτωση OVP, έναντι βραχυκυκλώματος SCP, υπερθέρμανση OTP | 120 | RP120Q-RW | Quarter Brick | - | 3k | 1 | 40...160 | 12 | - | - | 11 | - | - | 88 | -40...85 | 57,9x36,6x18,8 | THT |
| RP120Q-11012SRW/P | αντί υπερφόρτωσης OPP, υπερφόρτωση OVP, έναντι βραχυκυκλώματος SCP, υπερθέρμανση OTP | 120 | RP120Q-RW | Quarter Brick | - | 3k | 1 | 40...160 | 12 | - | - | 11 | - | - | 88 | -40...85 | 57,9x36,6x12,7 | THT |
| RP120Q-11012SRW/PH | αντί υπερφόρτωσης OPP, υπερφόρτωση OVP, έναντι βραχυκυκλώματος SCP, υπερθέρμανση OTP | 120 | RP120Q-RW | Quarter Brick | - | 3k | 1 | 40...160 | 12 | - | - | 11 | - | - | 88 | -40...85 | 57,9x36,6x18,8 | THT |
| RP120Q-11015SRW/N | αντί υπερφόρτωσης OPP, υπερφόρτωση OVP, έναντι βραχυκυκλώματος SCP, υπερθέρμανση OTP | 120 | RP120Q-RW | Quarter Brick | - | 3k | 1 | 40...160 | 15 | - | - | 8 | - | - | 89 | -40...85 | 57,9x36,6x12,7 | THT |
| RP120Q-11015SRW/NH | αντί υπερφόρτωσης OPP, υπερφόρτωση OVP, έναντι βραχυκυκλώματος SCP, υπερθέρμανση OTP | 120 | RP120Q-RW | Quarter Brick | - | 3k | 1 | 40...160 | 15 | - | - | 8 | - | - | 89 | -40...85 | 57,9x36,6x18,8 | THT |
| RP120Q-11015SRW/P | αντί υπερφόρτωσης OPP, υπερφόρτωση OVP, έναντι βραχυκυκλώματος SCP, υπερθέρμανση OTP | 120 | RP120Q-RW | Quarter Brick | - | 3k | 1 | 40...160 | 15 | - | - | 8 | - | - | 89 | -40...85 | 57,9x36,6x12,7 | THT |
| RP120Q-11015SRW/PH | αντί υπερφόρτωσης OPP, υπερφόρτωση OVP, έναντι βραχυκυκλώματος SCP, υπερθέρμανση OTP | 120 | RP120Q-RW | Quarter Brick | - | 3k | 1 | 40...160 | 15 | - | - | 8 | - | - | 89 | -40...85 | 57,9x36,6x18,8 | THT |
| RP120Q-11024SRW/N | αντί υπερφόρτωσης OPP, υπερφόρτωση OVP, έναντι βραχυκυκλώματος SCP, υπερθέρμανση OTP | 120 | RP120Q-RW | Quarter Brick | - | 3k | 1 | 40...160 | 24 | - | - | 5,5 | - | - | 89 | -40...85 | 57,9x36,6x12,7 | THT |
| RP120Q-11024SRW/NH | αντί υπερφόρτωσης OPP, υπερφόρτωση OVP, έναντι βραχυκυκλώματος SCP, υπερθέρμανση OTP | 120 | RP120Q-RW | Quarter Brick | - | 3k | 1 | 40...160 | 24 | - | - | 5,5 | - | - | 89 | -40...85 | 57,9x36,6x18,8 | THT |
| RP120Q-11024SRW/P | αντί υπερφόρτωσης OPP, υπερφόρτωση OVP, έναντι βραχυκυκλώματος SCP, υπερθέρμανση OTP | 120 | RP120Q-RW | Quarter Brick | - | 3k | 1 | 40...160 | 24 | - | - | 5,5 | - | - | 89 | -40...85 | 57,9x36,6x12,7 | THT |
| RP120Q-11024SRW/PH | αντί υπερφόρτωσης OPP, υπερφόρτωση OVP, έναντι βραχυκυκλώματος SCP, υπερθέρμανση OTP | 120 | RP120Q-RW | Quarter Brick | - | 3k | 1 | 40...160 | 24 | - | - | 5,5 | - | - | 89 | -40...85 | 57,9x36,6x18,8 | THT |
| RP120Q-11048SRW/N | αντί υπερφόρτωσης OPP, υπερφόρτωση OVP, έναντι βραχυκυκλώματος SCP, υπερθέρμανση OTP | 120 | RP120Q-RW | Quarter Brick | - | 3k | 1 | 40...160 | 48 | - | - | 2,7 | - | - | 89 | -40...85 | 57,9x36,6x12,7 | THT |
| RP120Q-11048SRW/NH | αντί υπερφόρτωσης OPP, υπερφόρτωση OVP, έναντι βραχυκυκλώματος SCP, υπερθέρμανση OTP | 120 | RP120Q-RW | Quarter Brick | - | 3k | 1 | 40...160 | 48 | - | - | 2,7 | - | - | 89 | -40...85 | 57,9x36,6x18,8 | THT |
| RP120Q-11048SRW/P | αντί υπερφόρτωσης OPP, υπερφόρτωση OVP, έναντι βραχυκυκλώματος SCP, υπερθέρμανση OTP | 120 | RP120Q-RW | Quarter Brick | - | 3k | 1 | 40...160 | 48 | - | - | 2,7 | - | - | 89 | -40...85 | 57,9x36,6x12,7 | THT |
| RP120Q-11048SRW/PH | αντί υπερφόρτωσης OPP, υπερφόρτωση OVP, έναντι βραχυκυκλώματος SCP, υπερθέρμανση OTP | 120 | RP120Q-RW | Quarter Brick | - | 3k | 1 | 40...160 | 48 | - | - | 2,7 | - | - | 89 | -40...85 | 57,9x36,6x18,8 | THT |
| RP180H-11005SRW/N | αντί υπερφόρτωσης OPP, υπερφόρτωση OVP, έναντι βραχυκυκλώματος SCP, υπερθέρμανση OTP | 180 | RP180H-RW | Half Brick | Σχ.7. | 3k | 1 | 43...160 | 5 | - | - | 32 | - | - | 90 | -40...90 | 61x57,9x24,13 | THT |
| RP180H-11005SRW/NH | αντί υπερφόρτωσης OPP, υπερφόρτωση OVP, έναντι βραχυκυκλώματος SCP, υπερθέρμανση OTP | 180 | RP180H-RW | Half Brick | Σχ.8. | 3k | 1 | 43...160 | 5 | - | - | 32 | - | - | 90 | -40...90 | 61x57,9x24,13 | THT |
| RP180H-11005SRW/P | αντί υπερφόρτωσης OPP, υπερφόρτωση OVP, έναντι βραχυκυκλώματος SCP, υπερθέρμανση OTP | 180 | RP180H-RW | Half Brick | Σχ.7. | 3k | 1 | 43...160 | 5 | - | - | 32 | - | - | 90 | -40...90 | 61x57,9x24,13 | THT |
| RP180H-11005SRW/PH | αντί υπερφόρτωσης OPP, υπερφόρτωση OVP, έναντι βραχυκυκλώματος SCP, υπερθέρμανση OTP | 180 | RP180H-RW | Half Brick | Σχ.8. | 3k | 1 | 43...160 | 5 | - | - | 32 | - | - | 90 | -40...90 | 61x57,9x24,13 | THT |
| RP180H-11012SRW/N | αντί υπερφόρτωσης OPP, υπερφόρτωση OVP, έναντι βραχυκυκλώματος SCP, υπερθέρμανση OTP | 180 | RP180H-RW | Half Brick | Σχ.7. | 3k | 1 | 43...160 | 12 | - | - | 15 | - | - | 90 | -40...90 | 61x57,9x24,13 | THT |
| RP180H-11012SRW/NH | αντί υπερφόρτωσης OPP, υπερφόρτωση OVP, έναντι βραχυκυκλώματος SCP, υπερθέρμανση OTP | 180 | RP180H-RW | Half Brick | Σχ.8. | 3k | 1 | 43...160 | 12 | - | - | 15 | - | - | 90 | -40...90 | 61x57,9x24,13 | THT |
| RP180H-11012SRW/P | αντί υπερφόρτωσης OPP, υπερφόρτωση OVP, έναντι βραχυκυκλώματος SCP, υπερθέρμανση OTP | 180 | RP180H-RW | Half Brick | Σχ.7. | 3k | 1 | 43...160 | 12 | - | - | 15 | - | - | 90 | -40...90 | 61x57,9x24,13 | THT |
| RP180H-11012SRW/PH | αντί υπερφόρτωσης OPP, υπερφόρτωση OVP, έναντι βραχυκυκλώματος SCP, υπερθέρμανση OTP | 180 | RP180H-RW | Half Brick | Σχ.8. | 3k | 1 | 43...160 | 12 | - | - | 15 | - | - | 90 | -40...90 | 61x57,9x24,13 | THT |
| RP180H-11015SRW/N | αντί υπερφόρτωσης OPP, υπερφόρτωση OVP, έναντι βραχυκυκλώματος SCP, υπερθέρμανση OTP | 180 | RP180H-RW | Half Brick | Σχ.7. | 3k | 1 | 43...160 | 15 | - | - | 12 | - | - | 90 | -40...90 | 61x57,9x24,13 | THT |
| RP180H-11015SRW/NH | αντί υπερφόρτωσης OPP, υπερφόρτωση OVP, έναντι βραχυκυκλώματος SCP, υπερθέρμανση OTP | 180 | RP180H-RW | Half Brick | Σχ.8. | 3k | 1 | 43...160 | 15 | - | - | 12 | - | - | 90 | -40...90 | 61x57,9x24,13 | THT |
| RP180H-11015SRW/P | αντί υπερφόρτωσης OPP, υπερφόρτωση OVP, έναντι βραχυκυκλώματος SCP, υπερθέρμανση OTP | 180 | RP180H-RW | Half Brick | Σχ.7. | 3k | 1 | 43...160 | 15 | - | - | 12 | - | - | 90 | -40...90 | 61x57,9x24,13 | THT |
| RP180H-11015SRW/PH | αντί υπερφόρτωσης OPP, υπερφόρτωση OVP, έναντι βραχυκυκλώματος SCP, υπερθέρμανση OTP | 180 | RP180H-RW | Half Brick | Σχ.8. | 3k | 1 | 43...160 | 15 | - | - | 12 | - | - | 90 | -40...90 | 61x57,9x24,13 | THT |
| RP180H-11024SRW/N | αντί υπερφόρτωσης OPP, υπερφόρτωση OVP, έναντι βραχυκυκλώματος SCP, υπερθέρμανση OTP | 180 | RP180H-RW | Half Brick | Σχ.7. | 3k | 1 | 43...160 | 24 | - | - | 7,5 | - | - | 90 | -40...90 | 61x57,9x24,13 | THT |
| RP180H-11024SRW/NH | αντί υπερφόρτωσης OPP, υπερφόρτωση OVP, έναντι βραχυκυκλώματος SCP, υπερθέρμανση OTP | 180 | RP180H-RW | Half Brick | Σχ.8. | 3k | 1 | 43...160 | 24 | - | - | 7,5 | - | - | 90 | -40...90 | 61x57,9x24,13 | THT |
| RP180H-11024SRW/P | αντί υπερφόρτωσης OPP, υπερφόρτωση OVP, έναντι βραχυκυκλώματος SCP, υπερθέρμανση OTP | 180 | RP180H-RW | Half Brick | Σχ.7. | 3k | 1 | 43...160 | 24 | - | - | 7,5 | - | - | 90 | -40...90 | 61x57,9x24,13 | THT |
| RP180H-11024SRW/PH | αντί υπερφόρτωσης OPP, υπερφόρτωση OVP, έναντι βραχυκυκλώματος SCP, υπερθέρμανση OTP | 180 | RP180H-RW | Half Brick | Σχ.8. | 3k | 1 | 43...160 | 24 | - | - | 7,5 | - | - | 90 | -40...90 | 61x57,9x24,13 | THT |
| RP180H-11048SRW/N | αντί υπερφόρτωσης OPP, υπερφόρτωση OVP, έναντι βραχυκυκλώματος SCP, υπερθέρμανση OTP | 180 | RP180H-RW | Half Brick | Σχ.7. | 3k | 1 | 43...160 | 48 | - | - | 3,8 | - | - | 90 | -40...90 | 61x57,9x24,13 | THT |
| RP180H-11048SRW/NH | αντί υπερφόρτωσης OPP, υπερφόρτωση OVP, έναντι βραχυκυκλώματος SCP, υπερθέρμανση OTP | 180 | RP180H-RW | Half Brick | Σχ.8. | 3k | 1 | 43...160 | 48 | - | - | 3,8 | - | - | 90 | -40...90 | 61x57,9x24,13 | THT |
| RP180H-11048SRW/P | αντί υπερφόρτωσης OPP, υπερφόρτωση OVP, έναντι βραχυκυκλώματος SCP, υπερθέρμανση OTP | 180 | RP180H-RW | Half Brick | Σχ.7. | 3k | 1 | 43...160 | 48 | - | - | 3,8 | - | - | 90 | -40...90 | 61x57,9x12,7 | THT |
| RP180H-11048SRWPHC | αντί υπερφόρτωσης OPP, υπερφόρτωση OVP, έναντι βραχυκυκλώματος SCP, υπερθέρμανση OTP | 180 | RP180H-RW | Half Brick | Σχ.8. | 3k | 1 | 43...160 | 48 | - | - | 3,8 | - | - | 90 | -40...90 | 61x57,9x24,13 | THT |
| RP180H-2412SRW/P | αντί υπερφόρτωσης OPP, υπερφόρτωση OVP, έναντι βραχυκυκλώματος SCP, υπερθέρμανση OTP | 144 | RP180H-RW | Half Brick | Σχ.7. | 2,25k | 1 | 9...36 | 12 | - | - | 6666m | - | - | 90 | -40...90 | 61x57,9x12,7 | THT |
| RP240H-11005SRW/N | αντί υπερφόρτωσης OPP, υπερφόρτωση OVP, έναντι βραχυκυκλώματος SCP, υπερθέρμανση OTP | 240 | RP240H-RW | Half Brick | Σχ.9. | 3k | 1 | 43...160 | 5 | - | - | 44 | - | - | 89 | -40...85 | 61x57,9x12,7 | THT |
| RP240H-11005SRW/NH | αντί υπερφόρτωσης OPP, υπερφόρτωση OVP, έναντι βραχυκυκλώματος SCP, υπερθέρμανση OTP | 240 | RP240H-RW | Half Brick | - | 3k | 1 | 43...160 | 5 | - | - | 44 | - | - | 89 | -40...85 | 61x57,9x24,13 | THT |
| RP240H-11005SRW/P | αντί υπερφόρτωσης OPP, υπερφόρτωση OVP, έναντι βραχυκυκλώματος SCP, υπερθέρμανση OTP | 240 | RP240H-RW | Half Brick | Σχ.9. | 3k | 1 | 43...160 | 5 | - | - | 44 | - | - | 89 | -40...85 | 61x57,9x12,7 | THT |
| RP240H-11005SRW/PH | αντί υπερφόρτωσης OPP, υπερφόρτωση OVP, έναντι βραχυκυκλώματος SCP, υπερθέρμανση OTP | 240 | RP240H-RW | Half Brick | - | 3k | 1 | 43...160 | 5 | - | - | 44 | - | - | 89 | -40...85 | 61x57,9x24,13 | THT |
| RP240H-11012SRW/N | αντί υπερφόρτωσης OPP, υπερφόρτωση OVP, έναντι βραχυκυκλώματος SCP, υπερθέρμανση OTP | 240 | RP240H-RW | Half Brick | Σχ.9. | 3k | 1 | 43...160 | 12 | - | - | 20 | - | - | 89 | -40...85 | 61x57,9x12,7 | THT |
| RP240H-11012SRW/NH | αντί υπερφόρτωσης OPP, υπερφόρτωση OVP, έναντι βραχυκυκλώματος SCP, υπερθέρμανση OTP | 240 | RP240H-RW | Half Brick | - | 3k | 1 | 43...160 | 12 | - | - | 20 | - | - | 89 | -40...85 | 61x57,9x24,13 | THT |
| RP240H-11012SRW/P | αντί υπερφόρτωσης OPP, υπερφόρτωση OVP, έναντι βραχυκυκλώματος SCP, υπερθέρμανση OTP | 240 | RP240H-RW | Half Brick | Σχ.9. | 3k | 1 | 43...160 | 12 | - | - | 20 | - | - | 89 | -40...85 | 61x57,9x12,7 | THT |
| RP240H-11012SRW/PH | αντί υπερφόρτωσης OPP, υπερφόρτωση OVP, έναντι βραχυκυκλώματος SCP, υπερθέρμανση OTP | 240 | RP240H-RW | Half Brick | - | 3k | 1 | 43...160 | 12 | - | - | 20 | - | - | 89 | -40...85 | 61x57,9x24,13 | THT |
| RP240H-11015SRW/N | αντί υπερφόρτωσης OPP, υπερφόρτωση OVP, έναντι βραχυκυκλώματος SCP, υπερθέρμανση OTP | 240 | RP240H-RW | Half Brick | Σχ.9. | 3k | 1 | 43...160 | 15 | - | - | 16 | - | - | 90 | -40...85 | 61x57,9x12,7 | THT |
| RP240H-11015SRW/NH | αντί υπερφόρτωσης OPP, υπερφόρτωση OVP, έναντι βραχυκυκλώματος SCP, υπερθέρμανση OTP | 240 | RP240H-RW | Half Brick | - | 3k | 1 | 43...160 | 15 | - | - | 16 | - | - | 90 | -40...85 | 61x57,9x24,13 | THT |
| RP240H-11015SRW/P | αντί υπερφόρτωσης OPP, υπερφόρτωση OVP, έναντι βραχυκυκλώματος SCP, υπερθέρμανση OTP | 240 | RP240H-RW | Half Brick | Σχ.9. | 3k | 1 | 43...160 | 15 | - | - | 16 | - | - | 90 | -40...85 | 61x57,9x12,7 | THT |
| RP240H-11015SRW/PH | αντί υπερφόρτωσης OPP, υπερφόρτωση OVP, έναντι βραχυκυκλώματος SCP, υπερθέρμανση OTP | 240 | RP240H-RW | Half Brick | - | 3k | 1 | 43...160 | 15 | - | - | 16 | - | - | 90 | -40...85 | 61x57,9x24,13 | THT |
| RP240H-11024SRW/N | αντί υπερφόρτωσης OPP, υπερφόρτωση OVP, έναντι βραχυκυκλώματος SCP, υπερθέρμανση OTP | 240 | RP240H-RW | Half Brick | Σχ.9. | 3k | 1 | 43...160 | 24 | - | - | 10 | - | - | 89 | -40...85 | 61x57,9x12,7 | THT |
| RP240H-11024SRW/NH | αντί υπερφόρτωσης OPP, υπερφόρτωση OVP, έναντι βραχυκυκλώματος SCP, υπερθέρμανση OTP | 240 | RP240H-RW | Half Brick | - | 3k | 1 | 43...160 | 24 | - | - | 10 | - | - | 89 | -40...85 | 61x57,9x24,13 | THT |
| RP240H-11024SRW/P | αντί υπερφόρτωσης OPP, υπερφόρτωση OVP, έναντι βραχυκυκλώματος SCP, υπερθέρμανση OTP | 240 | RP240H-RW | Half Brick | Σχ.9. | 3k | 1 | 43...160 | 24 | - | - | 10 | - | - | 89 | -40...85 | 61x57,9x12,7 | THT |
| RP240H-11024SRW/PH | αντί υπερφόρτωσης OPP, υπερφόρτωση OVP, έναντι βραχυκυκλώματος SCP, υπερθέρμανση OTP | 240 | RP240H-RW | Half Brick | - | 3k | 1 | 43...160 | 24 | - | - | 10 | - | - | 89 | -40...85 | 61x57,9x24,13 | THT |
| RP240H-11048SRW/N | αντί υπερφόρτωσης OPP, υπερφόρτωση OVP, έναντι βραχυκυκλώματος SCP, υπερθέρμανση OTP | 240 | RP240H-RW | Half Brick | Σχ.9. | 3k | 1 | 43...160 | 48 | - | - | 5 | - | - | 89 | -40...85 | 61x57,9x12,7 | THT |
| RP240H-11048SRW/NH | αντί υπερφόρτωσης OPP, υπερφόρτωση OVP, έναντι βραχυκυκλώματος SCP, υπερθέρμανση OTP | 240 | RP240H-RW | Half Brick | - | 3k | 1 | 43...160 | 48 | - | - | 5 | - | - | 89 | -40...85 | 61x57,9x24,13 | THT |
| RP240H-11048SRW/P | αντί υπερφόρτωσης OPP, υπερφόρτωση OVP, έναντι βραχυκυκλώματος SCP, υπερθέρμανση OTP | 240 | RP240H-RW | Half Brick | Σχ.9. | 3k | 1 | 43...160 | 48 | - | - | 5 | - | - | 89 | -40...85 | 61x57,9x12,7 | THT |
| RP240H-11048SRW/PH | αντί υπερφόρτωσης OPP, υπερφόρτωση OVP, έναντι βραχυκυκλώματος SCP, υπερθέρμανση OTP | 240 | RP240H-RW | Half Brick | - | 3k | 1 | 43...160 | 48 | - | - | 5 | - | - | 89 | -40...85 | 61x57,9x24,13 | THT |
| RP240H-2424SRW/N | αντί υπερφόρτωσης OPP, υπερφόρτωση OVP, έναντι βραχυκυκλώματος SCP, υπερθέρμανση OTP | 180 | RP240H-RW | Half Brick | Σχ.10. | 2,25k | 1 | 9...36 | 24 | - | - | 8333m | - | - | 90 | - | 61x57,9x12,7 | THT |
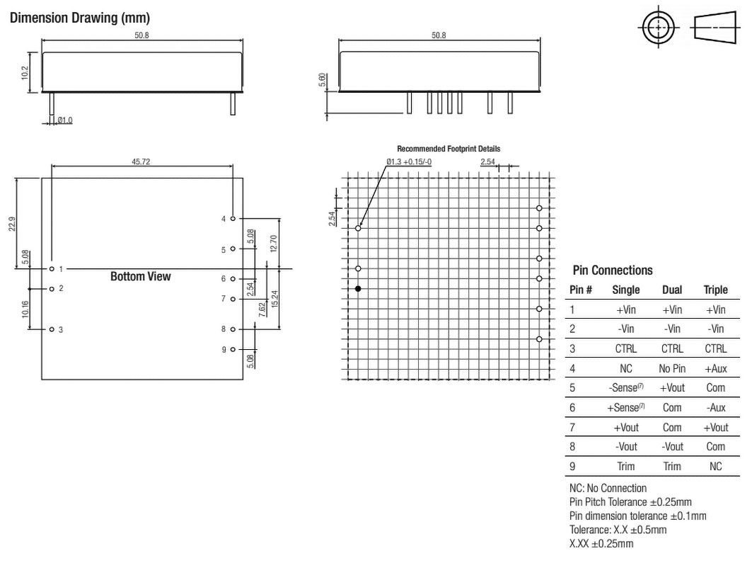
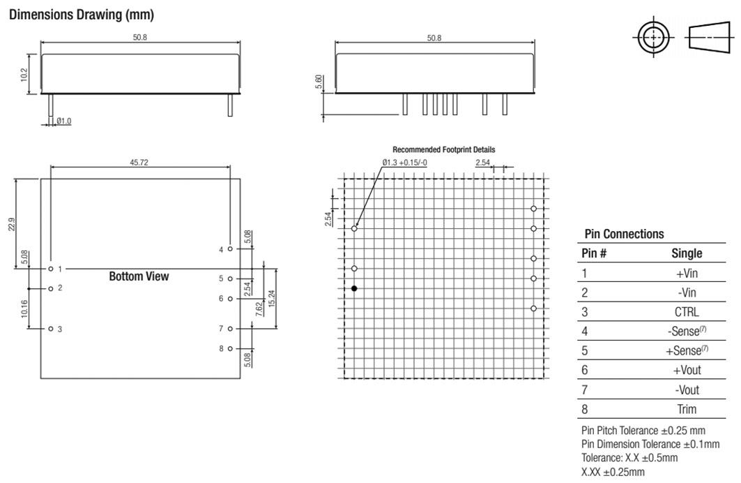
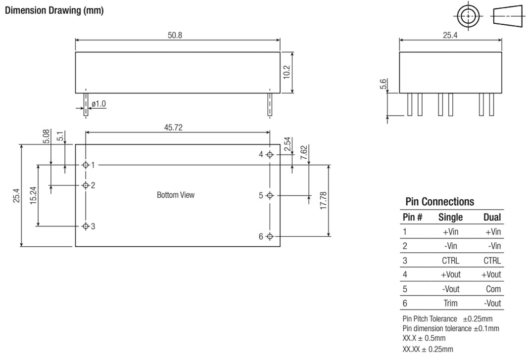
| RP40-11005SFR/N | αντί υπερφόρτωσης OPP, υπερφόρτωση OVP, έναντι βραχυκυκλώματος SCP, υπερθέρμανση OTP | 40 | RP40-FR | 2"x1" | Σχ.11. | 3k | 1 | 43...160 | 5 | - | - | 8 | - | - | 89 | -40...60 | 50,8x25,4x10,2 | THT |
| RP40-11005SFR/N-HC | αντί υπερφόρτωσης OPP, υπερφόρτωση OVP, έναντι βραχυκυκλώματος SCP, υπερθέρμανση OTP | 40 | RP40-FR | 2"x1" | - | 3k | 1 | 43...160 | 5 | - | - | 8 | - | - | 89 | -40...105 | 50,8x25,4x16,8 | THT |
| RP40-11005SFR/P | αντί υπερφόρτωσης OPP, υπερφόρτωση OVP, έναντι βραχυκυκλώματος SCP, υπερθέρμανση OTP | 40 | RP40-FR | 2"x1" | Σχ.11. | 3k | 1 | 43...160 | 5 | - | - | 8 | - | - | 89 | -40...60 | 50,8x25,4x10,2 | THT |
| RP40-11005SFR/P-HC | αντί υπερφόρτωσης OPP, υπερφόρτωση OVP, έναντι βραχυκυκλώματος SCP, υπερθέρμανση OTP | 40 | RP40-FR | 2"x1" | - | 3k | 1 | 43...160 | 5 | - | - | 8 | - | - | 89 | -40...105 | 50,8x25,4x16,8 | THT |
| RP40-11012DFR/N | αντί υπερφόρτωσης OPP, υπερφόρτωση OVP, έναντι βραχυκυκλώματος SCP, υπερθέρμανση OTP | 40 | RP40-FR | 2"x1" | Σχ.11. | 3k | 2 | 43...160 | 12 | -12 | - | 1666m | 1666m | - | 90 | -40...60 | 50,8x25,4x10,2 | THT |
| RP40-11012DFR/N-HC | αντί υπερφόρτωσης OPP, υπερφόρτωση OVP, έναντι βραχυκυκλώματος SCP, υπερθέρμανση OTP | 40 | RP40-FR | 2"x1" | - | 3k | 2 | 43...160 | 12 | -12 | - | 1666m | 1666m | - | 90 | -40...105 | 50,8x25,4x16,8 | THT |
| RP40-11012DFR/P | αντί υπερφόρτωσης OPP, υπερφόρτωση OVP, έναντι βραχυκυκλώματος SCP, υπερθέρμανση OTP | 40 | RP40-FR | 2"x1" | Σχ.11. | 3k | 2 | 43...160 | 12 | -12 | - | 1666m | 1666m | - | 89 | -40...60 | 50,8x25,4x10,2 | THT |
| RP40-11012DFR/P-HC | αντί υπερφόρτωσης OPP, υπερφόρτωση OVP, έναντι βραχυκυκλώματος SCP, υπερθέρμανση OTP | 40 | RP40-FR | 2"x1" | - | 3k | 2 | 43...160 | 12 | -12 | - | 1666m | 1666m | - | 90 | -40...105 | 50,8x25,4x16,8 | THT |
| RP40-11012SFR/N | αντί υπερφόρτωσης OPP, υπερφόρτωση OVP, έναντι βραχυκυκλώματος SCP, υπερθέρμανση OTP | 40 | RP40-FR | 2"x1" | Σχ.11. | 3k | 1 | 43...160 | 12 | - | - | 3333m | - | - | 90 | -40...60 | 50,8x25,4x10,2 | THT |
| RP40-11012SFR/N-HC | αντί υπερφόρτωσης OPP, υπερφόρτωση OVP, έναντι βραχυκυκλώματος SCP, υπερθέρμανση OTP | 40 | RP40-FR | 2"x1" | - | 3k | 1 | 43...160 | 12 | - | - | 3333m | - | - | 90 | -40...105 | 50,8x25,4x16,8 | THT |
| RP40-11012SFR/P | αντί υπερφόρτωσης OPP, υπερφόρτωση OVP, έναντι βραχυκυκλώματος SCP, υπερθέρμανση OTP | 40 | RP40-FR | 2"x1" | Σχ.11. | 3k | 1 | 43...160 | 12 | - | - | 3333m | - | - | 90,5 | -40...60 | 50,8x25,4x10,2 | THT |
| RP40-11012SFR/P-HC | αντί υπερφόρτωσης OPP, υπερφόρτωση OVP, έναντι βραχυκυκλώματος SCP, υπερθέρμανση OTP | 40 | RP40-FR | 2"x1" | - | 3k | 1 | 43...160 | 12 | - | - | 3333m | - | - | 90 | -40...105 | 50,8x25,4x16,8 | THT |
| RP40-11015DFR/N | αντί υπερφόρτωσης OPP, υπερφόρτωση OVP, έναντι βραχυκυκλώματος SCP, υπερθέρμανση OTP | 40 | RP40-FR | 2"x1" | Σχ.11. | 3k | 2 | 43...160 | 15 | -15 | - | 1333m | 1333m | - | 89 | -40...60 | 50,8x25,4x10,2 | THT |
| RP40-11015DFR/N-HC | αντί υπερφόρτωσης OPP, υπερφόρτωση OVP, έναντι βραχυκυκλώματος SCP, υπερθέρμανση OTP | 40 | RP40-FR | 2"x1" | - | 3k | 2 | 43...160 | 15 | -15 | - | 1333m | 1333m | - | 89 | -40...105 | 50,8x25,4x16,8 | THT |
| RP40-11015DFR/P | αντί υπερφόρτωσης OPP, υπερφόρτωση OVP, έναντι βραχυκυκλώματος SCP, υπερθέρμανση OTP | 40 | RP40-FR | 2"x1" | Σχ.11. | 3k | 2 | 43...160 | 15 | -15 | - | 1333m | 1333m | - | 89 | -40...60 | 50,8x25,4x10,2 | THT |
| RP40-11015DFR/P-HC | αντί υπερφόρτωσης OPP, υπερφόρτωση OVP, έναντι βραχυκυκλώματος SCP, υπερθέρμανση OTP | 40 | RP40-FR | 2"x1" | - | 3k | 2 | 43...160 | 15 | -15 | - | 1333m | 1333m | - | 89 | -40...105 | 50,8x25,4x16,8 | THT |
| RP40-11015SFR/N | αντί υπερφόρτωσης OPP, υπερφόρτωση OVP, έναντι βραχυκυκλώματος SCP, υπερθέρμανση OTP | 40 | RP40-FR | 2"x1" | Σχ.11. | 3k | 1 | 43...160 | 15 | - | - | 2666m | - | - | 91 | -40...60 | 50,8x25,4x10,2 | THT |
| RP40-11015SFR/N-HC | αντί υπερφόρτωσης OPP, υπερφόρτωση OVP, έναντι βραχυκυκλώματος SCP, υπερθέρμανση OTP | 40 | RP40-FR | 2"x1" | - | 3k | 1 | 43...160 | 15 | - | - | 2666m | - | - | 91 | -40...105 | 50,8x25,4x16,8 | THT |
| RP40-11015SFR/P | αντί υπερφόρτωσης OPP, υπερφόρτωση OVP, έναντι βραχυκυκλώματος SCP, υπερθέρμανση OTP | 40 | RP40-FR | 2"x1" | Σχ.11. | 3k | 1 | 43...160 | 15 | - | - | 2666m | - | - | 91 | -40...60 | 50,8x25,4x10,2 | THT |
| RP40-11015SFR/P-HC | αντί υπερφόρτωσης OPP, υπερφόρτωση OVP, έναντι βραχυκυκλώματος SCP, υπερθέρμανση OTP | 40 | RP40-FR | 2"x1" | - | 3k | 1 | 43...160 | 15 | - | - | 2666m | - | - | 91 | -40...105 | 50,8x25,4x16,8 | THT |
| RP40-11024DFR/N | αντί υπερφόρτωσης OPP, υπερφόρτωση OVP, έναντι βραχυκυκλώματος SCP, υπερθέρμανση OTP | 40 | RP40-FR | 2"x1" | Σχ.11. | 3k | 2 | 43...160 | 24 | -24 | - | 833m | 833m | - | 91 | -40...60 | 50,8x25,4x10,2 | THT |
| RP40-11024DFR/N-HC | αντί υπερφόρτωσης OPP, υπερφόρτωση OVP, έναντι βραχυκυκλώματος SCP, υπερθέρμανση OTP | 40 | RP40-FR | 2"x1" | - | 3k | 2 | 43...160 | 24 | -24 | - | 833m | 833m | - | 91 | -40...105 | 50,8x25,4x16,8 | THT |
| RP40-11024DFR/P | αντί υπερφόρτωσης OPP, υπερφόρτωση OVP, έναντι βραχυκυκλώματος SCP, υπερθέρμανση OTP | 40 | RP40-FR | 2"x1" | Σχ.11. | 3k | 2 | 43...160 | 24 | -24 | - | 833m | 833m | - | 91 | -40...60 | 50,8x25,4x10,2 | THT |
| RP40-11024DFR/P-HC | αντί υπερφόρτωσης OPP, υπερφόρτωση OVP, έναντι βραχυκυκλώματος SCP, υπερθέρμανση OTP | 40 | RP40-FR | 2"x1" | - | 3k | 2 | 43...160 | 24 | -24 | - | 833m | 833m | - | 91 | -40...105 | 50,8x25,4x16,8 | THT |
| RP40-11024SFR/N | αντί υπερφόρτωσης OPP, υπερφόρτωση OVP, έναντι βραχυκυκλώματος SCP, υπερθέρμανση OTP | 40 | RP40-FR | 2"x1" | Σχ.11. | 3k | 1 | 43...160 | 24 | - | - | 1666m | - | - | 90 | -40...60 | 50,8x25,4x10,2 | THT |
| RP40-11024SFR/N-HC | αντί υπερφόρτωσης OPP, υπερφόρτωση OVP, έναντι βραχυκυκλώματος SCP, υπερθέρμανση OTP | 40 | RP40-FR | 2"x1" | - | 3k | 1 | 43...160 | 24 | - | - | 1666m | - | - | 90 | -40...105 | 50,8x25,4x16,8 | THT |
| RP40-11024SFR/P | αντί υπερφόρτωσης OPP, υπερφόρτωση OVP, έναντι βραχυκυκλώματος SCP, υπερθέρμανση OTP | 40 | RP40-FR | 2"x1" | Σχ.11. | 3k | 1 | 43...160 | 24 | - | - | 1666m | - | - | 90 | -40...60 | 50,8x25,4x10,2 | THT |
| RP40-11024SFR/P-HC | αντί υπερφόρτωσης OPP, υπερφόρτωση OVP, έναντι βραχυκυκλώματος SCP, υπερθέρμανση OTP | 40 | RP40-FR | 2"x1" | - | 3k | 1 | 43...160 | 24 | - | - | 1666m | - | - | 90 | -40...105 | 50,8x25,4x16,8 | THT |
| RP40-1103.3SFR/N | αντί υπερφόρτωσης OPP, υπερφόρτωση OVP, έναντι βραχυκυκλώματος SCP, υπερθέρμανση OTP | 40 | RP40-FR | 2"x1" | Σχ.11. | 3k | 1 | 43...160 | 3,3 | - | - | 10 | - | - | 88 | -40...60 | 50,8x25,4x10,2 | THT |
| RP40-1103.3SFR/NHC | αντί υπερφόρτωσης OPP, υπερφόρτωση OVP, έναντι βραχυκυκλώματος SCP, υπερθέρμανση OTP | 40 | RP40-FR | 2"x1" | - | 3k | 1 | 43...160 | 3,3 | - | - | 10 | - | - | 88 | -40...105 | 50,8x25,4x16,8 | THT |
| RP40-1103.3SFR/P | αντί υπερφόρτωσης OPP, υπερφόρτωση OVP, έναντι βραχυκυκλώματος SCP, υπερθέρμανση OTP | 40 | RP40-FR | 2"x1" | Σχ.11. | 3k | 1 | 43...160 | 3,3 | - | - | 10 | - | - | 88 | -40...60 | 50,8x25,4x10,2 | THT |
| RP40-1103.3SFR/PHC | αντί υπερφόρτωσης OPP, υπερφόρτωση OVP, έναντι βραχυκυκλώματος SCP, υπερθέρμανση OTP | 40 | RP40-FR | 2"x1" | - | 3k | 1 | 43...160 | 3,3 | - | - | 10 | - | - | 88 | -40...105 | 50,8x25,4x16,8 | THT |
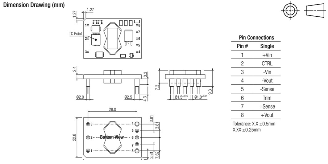
| RP40-120512TG | αντί υπερφόρτωσης OPP, υπερφόρτωση OVP, έναντι βραχυκυκλώματος SCP, υπερθέρμανση OTP | 40 | RP40-G | 2"x2" | Σχ.12. | 1,6k | 3 | 9...18 | 5 | 12 | -12 | 6 | 400m | 400 | 86 | -40...66 | 50,8x50,8x10,2 | THT |
| RP40-1212DG | αντί υπερφόρτωσης OPP, υπερφόρτωση OVP, έναντι βραχυκυκλώματος SCP, υπερθέρμανση OTP | 40 | RP40-G | 2"x2" | Σχ.12. | 1,6k | 2 | 9...18 | 12 | -12 | - | 1,8 | 1,8 | - | 85 | -40...66 | 50,8x50,8x10,2 | THT |
| RP40-240512TG | αντί υπερφόρτωσης OPP, υπερφόρτωση OVP, έναντι βραχυκυκλώματος SCP, υπερθέρμανση OTP | 40 | RP40-G | 2"x2" | Σχ.12. | 1,6k | 3 | 18...36 | 5 | 12 | -12 | 6 | 400m | 400 | 87 | -40...66 | 50,8x50,8x10,2 | THT |
| RP40-240515TG | αντί υπερφόρτωσης OPP, υπερφόρτωση OVP, έναντι βραχυκυκλώματος SCP, υπερθέρμανση OTP | 40 | RP40-G | 2"x2" | Σχ.12. | 1,6k | 3 | 18...36 | 5 | 15 | -15 | 6 | 300m | 300 | 87 | -40...66 | 50,8x50,8x10,2 | THT |
| RP40-2405SG | αντί υπερφόρτωσης OPP, υπερφόρτωση OVP, έναντι βραχυκυκλώματος SCP, υπερθέρμανση OTP | 40 | RP40-G | 2"x2" | Σχ.12. | 1,6k | 1 | 18...36 | 5 | - | - | 8 | - | - | 89 | -40...66 | 50,8x50,8x10,2 | THT |
| RP40-2405SGW | αντί υπερφόρτωσης OPP, υπερφόρτωση OVP, έναντι βραχυκυκλώματος SCP, υπερθέρμανση OTP | 40 | RP40-GW | 2"x2" | Σχ.13. | 1,6k | 1 | 9...36 | 5 | - | - | 8 | - | - | 88 | -40...57 | 50,8x50,8x10,2 | THT |
| RP40-2412DGW | αντί υπερφόρτωσης OPP, υπερφόρτωση OVP, έναντι βραχυκυκλώματος SCP, υπερθέρμανση OTP | 40 | RP40-GW | 2"x2" | Σχ.13. | 1,6k | 2 | 9...36 | 12 | -12 | - | 1667m | 1667m | - | 86 | -40...57 | 50,8x50,8x10,2 | THT |
| RP40-2412SFR/P | αντί υπερφόρτωσης OPP, υπερφόρτωση OVP, έναντι βραχυκυκλώματος SCP, υπερθέρμανση OTP | 40 | RP40-FR | 2"x1" | Σχ.11. | 1,6k | 1 | 9...36 | 12 | - | - | 3333m | - | - | 92 | -40...60 | 50,8x25,4x10,2 | THT |
| RP40-2412SG | αντί υπερφόρτωσης OPP, υπερφόρτωση OVP, έναντι βραχυκυκλώματος SCP, υπερθέρμανση OTP | 40 | RP40-G | 2"x2" | Σχ.12. | 1,6k | 1 | 18...36 | 12 | - | - | 3333m | - | - | 88 | -40...66 | 50,8x50,8x10,2 | THT |
| RP40-2412SGW | αντί υπερφόρτωσης OPP, υπερφόρτωση OVP, έναντι βραχυκυκλώματος SCP, υπερθέρμανση OTP | 40 | RP40-GW | 2"x2" | Σχ.13. | 1,6k | 1 | 9...36 | 12 | - | - | 3333m | - | - | 87 | -40...57 | 50,8x50,8x10,2 | THT |
| RP40-2415DGW | αντί υπερφόρτωσης OPP, υπερφόρτωση OVP, έναντι βραχυκυκλώματος SCP, υπερθέρμανση OTP | 40 | RP40-GW | 2"x2" | Σχ.13. | 1,6k | 2 | 9...36 | 15 | -15 | - | 1333m | 1333m | - | 86 | -40...57 | 50,8x50,8x10,2 | THT |
| RP40-2424DFR/P | αντί υπερφόρτωσης OPP, υπερφόρτωση OVP, έναντι βραχυκυκλώματος SCP, υπερθέρμανση OTP | 40 | RP40-FR | 2"x1" | Σχ.11. | 1,6k | 2 | 9...36 | 24 | -24 | - | 833m | 833m | - | 91 | -40...60 | 50,8x25,4x10,2 | THT |
| RP40-2424SFR/N | αντί υπερφόρτωσης OPP, υπερφόρτωση OVP, έναντι βραχυκυκλώματος SCP, υπερθέρμανση OTP | 40 | RP40-FR | 2"x1" | Σχ.11. | 1,6k | 1 | 9...36 | 24 | - | - | 1666m | - | - | 91 | -40...60 | 50,8x25,4x10,2 | THT |
| RP40-2424SFR/P | αντί υπερφόρτωσης OPP, υπερφόρτωση OVP, έναντι βραχυκυκλώματος SCP, υπερθέρμανση OTP | 40 | RP40-FR | 2"x1" | Σχ.11. | 1,6k | 1 | 9...36 | 24 | - | - | 1666m | - | - | 91 | -40...60 | 50,8x25,4x10,2 | THT |
| RP40-243.3SGW | αντί υπερφόρτωσης OPP, υπερφόρτωση OVP, έναντι βραχυκυκλώματος SCP, υπερθέρμανση OTP | 40 | RP40-GW | 2"x2" | Σχ.13. | 1,6k | 1 | 9...36 | 3,3 | - | - | 10 | - | - | 87 | -40...57 | 50,8x50,8x10,2 | THT |
| RP40-4805SFR/P | αντί υπερφόρτωσης OPP, υπερφόρτωση OVP, έναντι βραχυκυκλώματος SCP, υπερθέρμανση OTP | 40 | RP40-FR | 2"x1" | Σχ.11. | 1,6k | 1 | 18...75 | 5 | - | - | 8 | - | - | 91 | -40...60 | 50,8x25,4x10,2 | THT |
| RP40-4805SGW | αντί υπερφόρτωσης OPP, υπερφόρτωση OVP, έναντι βραχυκυκλώματος SCP, υπερθέρμανση OTP | 40 | RP40-GW | 2"x2" | Σχ.13. | 1,6k | 1 | 18...75 | 5 | - | - | 8 | - | - | 89 | -40...57 | 50,8x50,8x10,2 | THT |
| RP40-4812SFR/P | αντί υπερφόρτωσης OPP, υπερφόρτωση OVP, έναντι βραχυκυκλώματος SCP, υπερθέρμανση OTP | 40 | RP40-FR | 2"x1" | Σχ.11. | 1,6k | 1 | 18...75 | 12 | - | - | 3333m | - | - | 92 | -40...60 | 50,8x25,4x10,2 | THT |
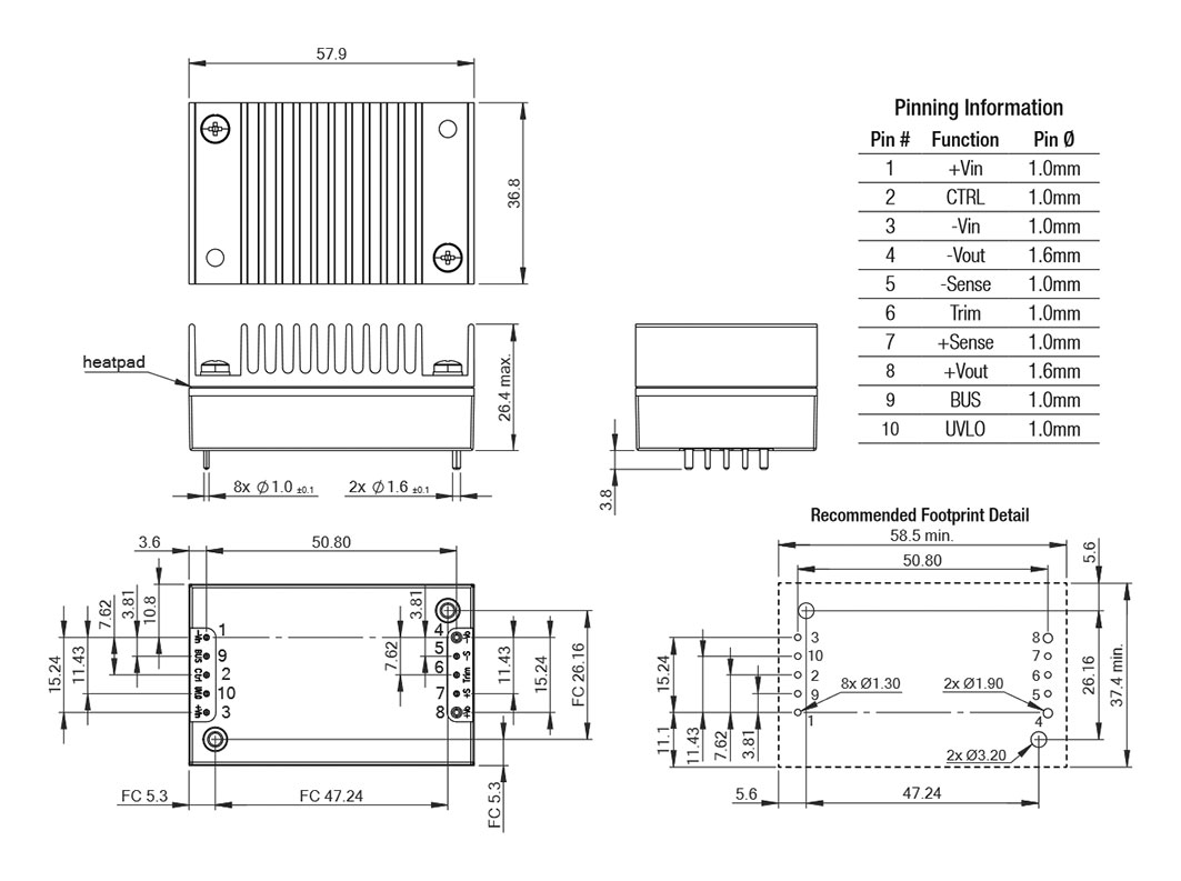
| RP40Q-11005SRUW/N | αντί υπερφόρτωσης OPP, υπερφόρτωση OVP, έναντι βραχυκυκλώματος SCP, υπερθέρμανση OTP | 40 | RP40Q-RUW | Quarter Brick | Σχ.14. | 3k | 1 | 14...160 | 5 | - | - | 8 | - | - | 89 | -40...105 | 57,9x36,8x12,7 | THT |
| RP40Q-11005SRUW/NH | αντί υπερφόρτωσης OPP, υπερφόρτωση OVP, έναντι βραχυκυκλώματος SCP, υπερθέρμανση OTP | 40 | RP40Q-RUW | Quarter Brick | Σχ.15. | 3k | 1 | 14...160 | 5 | - | - | 8 | - | - | 89 | -40...105 | 57,9x36,8x26,4 | THT |
| RP40Q-11005SRUW/P | αντί υπερφόρτωσης OPP, υπερφόρτωση OVP, έναντι βραχυκυκλώματος SCP, υπερθέρμανση OTP | 40 | RP40Q-RUW | Quarter Brick | Σχ.14. | 3k | 1 | 14...160 | 5 | - | - | 8 | - | - | 89 | -40...105 | 57,9x36,8x12,7 | THT |
| RP40Q-11005SRUW/PH | αντί υπερφόρτωσης OPP, υπερφόρτωση OVP, έναντι βραχυκυκλώματος SCP, υπερθέρμανση OTP | 40 | RP40Q-RUW | Quarter Brick | Σχ.15. | 3k | 1 | 14...160 | 5 | - | - | 8 | - | - | 89 | -40...105 | 57,9x36,8x26,4 | THT |
| RP40Q11005SRUWBN | αντί υπερφόρτωσης OPP, υπερφόρτωση OVP, έναντι βραχυκυκλώματος SCP, υπερθέρμανση OTP | 40 | RP40Q-RUW | Quarter Brick | Σχ.14. | 3k | 1 | 14...160 | 5 | - | - | 8 | - | - | 89 | -40...105 | 57,9x36,8x12,7 | - |
| RP40Q11005SRUWBNHC | αντί υπερφόρτωσης OPP, υπερφόρτωση OVP, έναντι βραχυκυκλώματος SCP, υπερθέρμανση OTP | 40 | RP40Q-RUW | Quarter Brick | Σχ.15. | 3k | 1 | 14...160 | 5 | - | - | 8 | - | - | 89 | -40...105 | 57,9x36,8x26,4 | - |
| RP40Q11005SRUWBP | αντί υπερφόρτωσης OPP, υπερφόρτωση OVP, έναντι βραχυκυκλώματος SCP, υπερθέρμανση OTP | 40 | RP40Q-RUW | Quarter Brick | Σχ.14. | 3k | 1 | 14...160 | 5 | - | - | 8 | - | - | 89 | -40...105 | 57,9x36,8x12,7 | - |
| RP40Q11005SRUWBPHC | αντί υπερφόρτωσης OPP, υπερφόρτωση OVP, έναντι βραχυκυκλώματος SCP, υπερθέρμανση OTP | 40 | RP40Q-RUW | Quarter Brick | Σχ.15. | 3k | 1 | 14...160 | 5 | - | - | 8 | - | - | 89 | -40...105 | 57,9x36,8x26,4 | - |
| RP40Q-11012SRUW/N | αντί υπερφόρτωσης OPP, υπερφόρτωση OVP, έναντι βραχυκυκλώματος SCP, υπερθέρμανση OTP | 40 | RP40Q-RUW | Quarter Brick | Σχ.14. | 3k | 1 | 14...160 | 12 | - | - | 3,33 | - | - | 91 | -40...105 | 57,9x36,8x12,7 | THT |
| RP40Q-11012SRUW/NH | αντί υπερφόρτωσης OPP, υπερφόρτωση OVP, έναντι βραχυκυκλώματος SCP, υπερθέρμανση OTP | 40 | RP40Q-RUW | Quarter Brick | Σχ.15. | 3k | 1 | 14...160 | 12 | - | - | 3,33 | - | - | 91 | -40...105 | 57,9x36,8x26,4 | THT |
| RP40Q-11012SRUW/P | αντί υπερφόρτωσης OPP, υπερφόρτωση OVP, έναντι βραχυκυκλώματος SCP, υπερθέρμανση OTP | 40 | RP40Q-RUW | Quarter Brick | Σχ.14. | 3k | 1 | 14...160 | 12 | - | - | 3,33 | - | - | 91 | -40...105 | 57,9x36,8x12,7 | THT |
| RP40Q-11012SRUW/PH | αντί υπερφόρτωσης OPP, υπερφόρτωση OVP, έναντι βραχυκυκλώματος SCP, υπερθέρμανση OTP | 40 | RP40Q-RUW | Quarter Brick | Σχ.15. | 3k | 1 | 14...160 | 12 | - | - | 3,33 | - | - | 91 | -40...105 | 57,9x36,8x26,4 | THT |
| RP40Q11012SRUWBN | αντί υπερφόρτωσης OPP, υπερφόρτωση OVP, έναντι βραχυκυκλώματος SCP, υπερθέρμανση OTP | 40 | RP40Q-RUW | Quarter Brick | Σχ.14. | 3k | 1 | 14...160 | 12 | - | - | 3,33 | - | - | 91 | -40...105 | 57,9x36,8x12,7 | - |
| RP40Q11012SRUWBNHC | αντί υπερφόρτωσης OPP, υπερφόρτωση OVP, έναντι βραχυκυκλώματος SCP, υπερθέρμανση OTP | 40 | RP40Q-RUW | Quarter Brick | Σχ.15. | 3k | 1 | 14...160 | 12 | - | - | 3,33 | - | - | 91 | -40...105 | 57,9x36,8x26,4 | - |
| RP40Q11012SRUWBP | αντί υπερφόρτωσης OPP, υπερφόρτωση OVP, έναντι βραχυκυκλώματος SCP, υπερθέρμανση OTP | 40 | RP40Q-RUW | Quarter Brick | Σχ.14. | 3k | 1 | 14...160 | 12 | - | - | 3,33 | - | - | 91 | -40...105 | 57,9x36,8x12,7 | - |
| RP40Q11012SRUWBPHC | αντί υπερφόρτωσης OPP, υπερφόρτωση OVP, έναντι βραχυκυκλώματος SCP, υπερθέρμανση OTP | 40 | RP40Q-RUW | Quarter Brick | Σχ.15. | 3k | 1 | 14...160 | 12 | - | - | 3,33 | - | - | 91 | -40...105 | 57,9x36,8x26,4 | - |
| RP40Q-11015SRUW/N | αντί υπερφόρτωσης OPP, υπερφόρτωση OVP, έναντι βραχυκυκλώματος SCP, υπερθέρμανση OTP | 40 | RP40Q-RUW | Quarter Brick | Σχ.14. | 3k | 1 | 14...160 | 15 | - | - | 2,67 | - | - | 91 | -40...105 | 57,9x36,8x12,7 | THT |
| RP40Q-11015SRUW/NH | αντί υπερφόρτωσης OPP, υπερφόρτωση OVP, έναντι βραχυκυκλώματος SCP, υπερθέρμανση OTP | 40 | RP40Q-RUW | Quarter Brick | Σχ.15. | 3k | 1 | 14...160 | 15 | - | - | 2,67 | - | - | 91 | -40...105 | 57,9x36,8x26,4 | THT |
| RP40Q-11015SRUW/P | αντί υπερφόρτωσης OPP, υπερφόρτωση OVP, έναντι βραχυκυκλώματος SCP, υπερθέρμανση OTP | 40 | RP40Q-RUW | Quarter Brick | Σχ.14. | 3k | 1 | 14...160 | 15 | - | - | 2,67 | - | - | 91 | -40...105 | 57,9x36,8x12,7 | THT |
| RP40Q-11015SRUW/PH | αντί υπερφόρτωσης OPP, υπερφόρτωση OVP, έναντι βραχυκυκλώματος SCP, υπερθέρμανση OTP | 40 | RP40Q-RUW | Quarter Brick | Σχ.15. | 3k | 1 | 14...160 | 15 | - | - | 2,67 | - | - | 91 | -40...105 | 57,9x36,8x26,4 | THT |
| RP40Q11015SRUWBN | αντί υπερφόρτωσης OPP, υπερφόρτωση OVP, έναντι βραχυκυκλώματος SCP, υπερθέρμανση OTP | 40 | RP40Q-RUW | Quarter Brick | Σχ.14. | 3k | 1 | 14...160 | 15 | - | - | 2,67 | - | - | 91 | -40...105 | 57,9x36,8x12,7 | - |
| RP40Q11015SRUWBNHC | αντί υπερφόρτωσης OPP, υπερφόρτωση OVP, έναντι βραχυκυκλώματος SCP, υπερθέρμανση OTP | 40 | RP40Q-RUW | Quarter Brick | Σχ.15. | 3k | 1 | 14...160 | 15 | - | - | 2,67 | - | - | 91 | -40...105 | 57,9x36,8x26,4 | - |
| RP40Q11015SRUWBP | αντί υπερφόρτωσης OPP, υπερφόρτωση OVP, έναντι βραχυκυκλώματος SCP, υπερθέρμανση OTP | 40 | RP40Q-RUW | Quarter Brick | Σχ.14. | 3k | 1 | 14...160 | 15 | - | - | 2,67 | - | - | 91 | -40...105 | 57,9x36,8x12,7 | - |
| RP40Q11015SRUWBPHC | αντί υπερφόρτωσης OPP, υπερφόρτωση OVP, έναντι βραχυκυκλώματος SCP, υπερθέρμανση OTP | 40 | RP40Q-RUW | Quarter Brick | Σχ.15. | 3k | 1 | 14...160 | 15 | - | - | 2,67 | - | - | 91 | -40...105 | 57,9x36,8x26,4 | - |
| RP40Q-11024SRUW/N | αντί υπερφόρτωσης OPP, υπερφόρτωση OVP, έναντι βραχυκυκλώματος SCP, υπερθέρμανση OTP | 40 | RP40Q-RUW | Quarter Brick | Σχ.14. | 3k | 1 | 14...160 | 24 | - | - | 1,67 | - | - | 90 | -40...105 | 57,9x36,8x12,7 | THT |
| RP40Q-11024SRUW/NH | αντί υπερφόρτωσης OPP, υπερφόρτωση OVP, έναντι βραχυκυκλώματος SCP, υπερθέρμανση OTP | 40 | RP40Q-RUW | Quarter Brick | Σχ.15. | 3k | 1 | 14...160 | 24 | - | - | 1,67 | - | - | 90 | -40...105 | 57,9x36,8x26,4 | THT |
| RP40Q-11024SRUW/P | αντί υπερφόρτωσης OPP, υπερφόρτωση OVP, έναντι βραχυκυκλώματος SCP, υπερθέρμανση OTP | 40 | RP40Q-RUW | Quarter Brick | Σχ.14. | 3k | 1 | 14...160 | 24 | - | - | 1,67 | - | - | 90 | -40...105 | 57,9x36,8x12,7 | THT |
| RP40Q-11024SRUW/PH | αντί υπερφόρτωσης OPP, υπερφόρτωση OVP, έναντι βραχυκυκλώματος SCP, υπερθέρμανση OTP | 40 | RP40Q-RUW | Quarter Brick | Σχ.15. | 3k | 1 | 14...160 | 24 | - | - | 1,67 | - | - | 90 | -40...105 | 57,9x36,8x26,4 | THT |
| RP40Q11024SRUWBN | αντί υπερφόρτωσης OPP, υπερφόρτωση OVP, έναντι βραχυκυκλώματος SCP, υπερθέρμανση OTP | 40 | RP40Q-RUW | Quarter Brick | Σχ.14. | 3k | 1 | 14...160 | 24 | - | - | 1,67 | - | - | 90 | -40...105 | 57,9x36,8x12,7 | - |
| RP40Q11024SRUWBNHC | αντί υπερφόρτωσης OPP, υπερφόρτωση OVP, έναντι βραχυκυκλώματος SCP, υπερθέρμανση OTP | 40 | RP40Q-RUW | Quarter Brick | Σχ.15. | 3k | 1 | 14...160 | 24 | - | - | 1,67 | - | - | 90 | -40...105 | 57,9x36,8x26,4 | - |
| RP40Q11024SRUWBP | αντί υπερφόρτωσης OPP, υπερφόρτωση OVP, έναντι βραχυκυκλώματος SCP, υπερθέρμανση OTP | 40 | RP40Q-RUW | Quarter Brick | Σχ.14. | 3k | 1 | 14...160 | 24 | - | - | 1,67 | - | - | 90 | -40...105 | 57,9x36,8x12,7 | - |
| RP40Q11024SRUWBPHC | αντί υπερφόρτωσης OPP, υπερφόρτωση OVP, έναντι βραχυκυκλώματος SCP, υπερθέρμανση OTP | 40 | RP40Q-RUW | Quarter Brick | Σχ.15. | 3k | 1 | 14...160 | 24 | - | - | 1,67 | - | - | 90 | -40...105 | 57,9x36,8x26,4 | - |
| RP40Q-11048SRUW/N | αντί υπερφόρτωσης OPP, υπερφόρτωση OVP, έναντι βραχυκυκλώματος SCP, υπερθέρμανση OTP | 40 | RP40Q-RUW | Quarter Brick | Σχ.14. | 3k | 1 | 14...160 | 48 | - | - | 830m | - | - | 90 | -40...105 | 57,9x36,8x12,7 | THT |
| RP40Q-11048SRUW/NH | αντί υπερφόρτωσης OPP, υπερφόρτωση OVP, έναντι βραχυκυκλώματος SCP, υπερθέρμανση OTP | 40 | RP40Q-RUW | Quarter Brick | Σχ.15. | 3k | 1 | 14...160 | 48 | - | - | 830m | - | - | 90 | -40...105 | 57,9x36,8x26,4 | THT |
| RP40Q-11048SRUW/P | αντί υπερφόρτωσης OPP, υπερφόρτωση OVP, έναντι βραχυκυκλώματος SCP, υπερθέρμανση OTP | 40 | RP40Q-RUW | Quarter Brick | Σχ.14. | 3k | 1 | 14...160 | 48 | - | - | 830m | - | - | 90 | -40...105 | 57,9x36,8x12,7 | THT |
| RP40Q-11048SRUW/PH | αντί υπερφόρτωσης OPP, υπερφόρτωση OVP, έναντι βραχυκυκλώματος SCP, υπερθέρμανση OTP | 40 | RP40Q-RUW | Quarter Brick | Σχ.15. | 3k | 1 | 14...160 | 48 | - | - | 830m | - | - | 90 | -40...105 | 57,9x36,8x26,4 | THT |
| RP40Q11048SRUWBN | αντί υπερφόρτωσης OPP, υπερφόρτωση OVP, έναντι βραχυκυκλώματος SCP, υπερθέρμανση OTP | 40 | RP40Q-RUW | Quarter Brick | Σχ.14. | 3k | 1 | 14...160 | 48 | - | - | 830m | - | - | 90 | -40...105 | 57,9x36,8x12,7 | - |
| RP40Q11048SRUWBNHC | αντί υπερφόρτωσης OPP, υπερφόρτωση OVP, έναντι βραχυκυκλώματος SCP, υπερθέρμανση OTP | 40 | RP40Q-RUW | Quarter Brick | Σχ.15. | 3k | 1 | 14...160 | 48 | - | - | 830m | - | - | 90 | -40...105 | 57,9x36,8x26,4 | - |
| RP40Q11048SRUWBP | αντί υπερφόρτωσης OPP, υπερφόρτωση OVP, έναντι βραχυκυκλώματος SCP, υπερθέρμανση OTP | 40 | RP40Q-RUW | Quarter Brick | Σχ.14. | 3k | 1 | 14...160 | 48 | - | - | 830m | - | - | 90 | -40...105 | 57,9x36,8x12,7 | - |
| RP40Q11048SRUWBPHC | αντί υπερφόρτωσης OPP, υπερφόρτωση OVP, έναντι βραχυκυκλώματος SCP, υπερθέρμανση OTP | 40 | RP40Q-RUW | Quarter Brick | Σχ.15. | 3k | 1 | 14...160 | 48 | - | - | 830m | - | - | 90 | -40...105 | 57,9x36,8x26,4 | - |
| RP60-2405SG | αντί υπερφόρτωσης OPP, υπερφόρτωση OVP, έναντι βραχυκυκλώματος SCP, υπερθέρμανση OTP | 60 | RP60-G | 2"x2" | Σχ.16. | 1,6k | 1 | 18...36 | 5 | - | - | 12 | - | - | 90 | -40...50 | 50,8x50,8x10,2 | THT |
| RP60-2412SG | αντί υπερφόρτωσης OPP, υπερφόρτωση OVP, έναντι βραχυκυκλώματος SCP, υπερθέρμανση OTP | 60 | RP60-G | 2"x2" | Σχ.16. | 1,6k | 1 | 18...36 | 12 | - | - | 5 | - | - | 90 | -40...50 | 50,8x50,8x10,2 | THT |
| RP60-2415SG | αντί υπερφόρτωσης OPP, υπερφόρτωση OVP, έναντι βραχυκυκλώματος SCP, υπερθέρμανση OTP | 60 | RP60-G | 2"x2" | Σχ.16. | 1,6k | 1 | 18...36 | 15 | - | - | 4 | - | - | 90 | -40...50 | 50,8x50,8x10,2 | THT |
| RP60Q-11005SRUW/N | αντί υπερφόρτωσης OPP, υπερφόρτωση OVP, έναντι βραχυκυκλώματος SCP, υπερθέρμανση OTP | 60 | RP60Q-RUW | Quarter Brick | Σχ.17. | 3k | 1 | 14...160 | 5 | - | - | 12 | - | - | 89 | -40...105 | 57,9x36,8x12,7 | THT |
| RP60Q-11005SRUW/NH | αντί υπερφόρτωσης OPP, υπερφόρτωση OVP, έναντι βραχυκυκλώματος SCP, υπερθέρμανση OTP | 60 | RP60Q-RUW | Quarter Brick | Σχ.18. | 3k | 1 | 14...160 | 5 | - | - | 12 | - | - | 89 | -40...105 | 57,9x36,8x26,4 | THT |
| RP60Q-11005SRUW/P | αντί υπερφόρτωσης OPP, υπερφόρτωση OVP, έναντι βραχυκυκλώματος SCP, υπερθέρμανση OTP | 60 | RP60Q-RUW | Quarter Brick | Σχ.17. | 3k | 1 | 14...160 | 5 | - | - | 12 | - | - | 89 | -40...105 | 57,9x36,8x12,7 | THT |
| RP60Q-11005SRUW/PH | αντί υπερφόρτωσης OPP, υπερφόρτωση OVP, έναντι βραχυκυκλώματος SCP, υπερθέρμανση OTP | 60 | RP60Q-RUW | Quarter Brick | Σχ.18. | 3k | 1 | 14...160 | 5 | - | - | 12 | - | - | 89 | -40...105 | 57,9x36,8x26,4 | THT |
| RP60Q11005SRUWBN | αντί υπερφόρτωσης OPP, υπερφόρτωση OVP, έναντι βραχυκυκλώματος SCP, υπερθέρμανση OTP | 60 | RP60Q-RUW | Quarter Brick | Σχ.17. | 3k | 1 | 14...160 | 5 | - | - | 12 | - | - | 89 | -40...105 | 57,9x36,8x12,7 | - |
| RP60Q11005SRUWBNHC | αντί υπερφόρτωσης OPP, υπερφόρτωση OVP, έναντι βραχυκυκλώματος SCP, υπερθέρμανση OTP | 60 | RP60Q-RUW | Quarter Brick | Σχ.18. | 3k | 1 | 14...160 | 5 | - | - | 12 | - | - | 89 | -40...105 | 57,9x36,8x26,4 | - |
| RP60Q11005SRUWBP | αντί υπερφόρτωσης OPP, υπερφόρτωση OVP, έναντι βραχυκυκλώματος SCP, υπερθέρμανση OTP | 60 | RP60Q-RUW | Quarter Brick | Σχ.17. | 3k | 1 | 14...160 | 5 | - | - | 12 | - | - | 89 | -40...105 | 57,9x36,8x12,7 | - |
| RP60Q11005SRUWBPHC | αντί υπερφόρτωσης OPP, υπερφόρτωση OVP, έναντι βραχυκυκλώματος SCP, υπερθέρμανση OTP | 60 | RP60Q-RUW | Quarter Brick | Σχ.18. | 3k | 1 | 14...160 | 5 | - | - | 12 | - | - | 89 | -40...105 | 57,9x36,8x26,4 | - |
| RP60Q-11012SRUW/N | αντί υπερφόρτωσης OPP, υπερφόρτωση OVP, έναντι βραχυκυκλώματος SCP, υπερθέρμανση OTP | 60 | RP60Q-RUW | Quarter Brick | Σχ.17. | 3k | 1 | 14...160 | 12 | - | - | 5 | - | - | 89 | -40...105 | 57,9x36,8x12,7 | THT |
| RP60Q-11012SRUW/NH | αντί υπερφόρτωσης OPP, υπερφόρτωση OVP, έναντι βραχυκυκλώματος SCP, υπερθέρμανση OTP | 60 | RP60Q-RUW | Quarter Brick | Σχ.18. | 3k | 1 | 14...160 | 12 | - | - | 5 | - | - | 89 | -40...105 | 57,9x36,8x26,4 | THT |
| RP60Q-11012SRUW/P | αντί υπερφόρτωσης OPP, υπερφόρτωση OVP, έναντι βραχυκυκλώματος SCP, υπερθέρμανση OTP | 60 | RP60Q-RUW | Quarter Brick | Σχ.17. | 3k | 1 | 14...160 | 12 | - | - | 5 | - | - | 89 | -40...105 | 57,9x36,8x12,7 | THT |
| RP60Q-11012SRUW/PH | αντί υπερφόρτωσης OPP, υπερφόρτωση OVP, έναντι βραχυκυκλώματος SCP, υπερθέρμανση OTP | 60 | RP60Q-RUW | Quarter Brick | Σχ.18. | 3k | 1 | 14...160 | 12 | - | - | 5 | - | - | 89 | -40...105 | 57,9x36,8x26,4 | THT |
| RP60Q11012SRUWBN | αντί υπερφόρτωσης OPP, υπερφόρτωση OVP, έναντι βραχυκυκλώματος SCP, υπερθέρμανση OTP | 60 | RP60Q-RUW | Quarter Brick | Σχ.17. | 3k | 1 | 14...160 | 12 | - | - | 5 | - | - | 89 | -40...105 | 57,9x36,8x12,7 | - |
| RP60Q11012SRUWBNHC | αντί υπερφόρτωσης OPP, υπερφόρτωση OVP, έναντι βραχυκυκλώματος SCP, υπερθέρμανση OTP | 60 | RP60Q-RUW | Quarter Brick | Σχ.18. | 3k | 1 | 14...160 | 12 | - | - | 5 | - | - | 89 | -40...105 | 57,9x36,8x26,4 | - |
| RP60Q11012SRUWBP | αντί υπερφόρτωσης OPP, υπερφόρτωση OVP, έναντι βραχυκυκλώματος SCP, υπερθέρμανση OTP | 60 | RP60Q-RUW | Quarter Brick | Σχ.17. | 3k | 1 | 14...160 | 12 | - | - | 5 | - | - | 89 | -40...105 | 57,9x36,8x12,7 | THT |
| RP60Q11012SRUWBPHC | αντί υπερφόρτωσης OPP, υπερφόρτωση OVP, έναντι βραχυκυκλώματος SCP, υπερθέρμανση OTP | 60 | RP60Q-RUW | Quarter Brick | Σχ.18. | 3k | 1 | 14...160 | 12 | - | - | 5 | - | - | 89 | -40...105 | 57,9x36,8x26,4 | - |
| RP60Q-11015SRUW/N | αντί υπερφόρτωσης OPP, υπερφόρτωση OVP, έναντι βραχυκυκλώματος SCP, υπερθέρμανση OTP | 60 | RP60Q-RUW | Quarter Brick | Σχ.17. | 3k | 1 | 14...160 | 15 | - | - | 4 | - | - | 90 | -40...105 | 57,9x36,8x12,7 | THT |
| RP60Q-11015SRUW/NH | αντί υπερφόρτωσης OPP, υπερφόρτωση OVP, έναντι βραχυκυκλώματος SCP, υπερθέρμανση OTP | 60 | RP60Q-RUW | Quarter Brick | Σχ.18. | 3k | 1 | 14...160 | 15 | - | - | 4 | - | - | 90 | -40...105 | 57,9x36,8x26,4 | THT |
| RP60Q-11015SRUW/P | αντί υπερφόρτωσης OPP, υπερφόρτωση OVP, έναντι βραχυκυκλώματος SCP, υπερθέρμανση OTP | 60 | RP60Q-RUW | Quarter Brick | Σχ.17. | 3k | 1 | 14...160 | 15 | - | - | 4 | - | - | 90 | -40...105 | 57,9x36,8x12,7 | THT |
| RP60Q-11015SRUW/PH | αντί υπερφόρτωσης OPP, υπερφόρτωση OVP, έναντι βραχυκυκλώματος SCP, υπερθέρμανση OTP | 60 | RP60Q-RUW | Quarter Brick | Σχ.18. | 3k | 1 | 14...160 | 15 | - | - | 4 | - | - | 90 | -40...105 | 57,9x36,8x26,4 | THT |
| RP60Q11015SRUWBN | αντί υπερφόρτωσης OPP, υπερφόρτωση OVP, έναντι βραχυκυκλώματος SCP, υπερθέρμανση OTP | 60 | RP60Q-RUW | Quarter Brick | Σχ.17. | 3k | 1 | 14...160 | 15 | - | - | 4 | - | - | 90 | -40...105 | 57,9x36,8x12,7 | - |
| RP60Q11015SRUWBNHC | αντί υπερφόρτωσης OPP, υπερφόρτωση OVP, έναντι βραχυκυκλώματος SCP, υπερθέρμανση OTP | 60 | RP60Q-RUW | Quarter Brick | Σχ.18. | 3k | 1 | 14...160 | 15 | - | - | 4 | - | - | 90 | -40...105 | 57,9x36,8x26,4 | - |
| RP60Q11015SRUWBP | αντί υπερφόρτωσης OPP, υπερφόρτωση OVP, έναντι βραχυκυκλώματος SCP, υπερθέρμανση OTP | 60 | RP60Q-RUW | Quarter Brick | Σχ.17. | 3k | 1 | 14...160 | 15 | - | - | 4 | - | - | 90 | -40...105 | 57,9x36,8x12,7 | - |
| RP60Q11015SRUWBPHC | αντί υπερφόρτωσης OPP, υπερφόρτωση OVP, έναντι βραχυκυκλώματος SCP, υπερθέρμανση OTP | 60 | RP60Q-RUW | Quarter Brick | Σχ.18. | 3k | 1 | 14...160 | 15 | - | - | 4 | - | - | 90 | -40...105 | 57,9x36,8x26,4 | - |
| RP60Q-11024SRUW/N | αντί υπερφόρτωσης OPP, υπερφόρτωση OVP, έναντι βραχυκυκλώματος SCP, υπερθέρμανση OTP | 60 | RP60Q-RUW | Quarter Brick | Σχ.17. | 3k | 1 | 14...160 | 24 | - | - | 2,5 | - | - | 90 | -40...105 | 57,9x36,8x12,7 | THT |
| RP60Q-11024SRUW/NH | αντί υπερφόρτωσης OPP, υπερφόρτωση OVP, έναντι βραχυκυκλώματος SCP, υπερθέρμανση OTP | 60 | RP60Q-RUW | Quarter Brick | Σχ.18. | 3k | 1 | 14...160 | 24 | - | - | 2,5 | - | - | 90 | -40...105 | 57,9x36,8x26,4 | THT |
| RP60Q-11024SRUW/P | αντί υπερφόρτωσης OPP, υπερφόρτωση OVP, έναντι βραχυκυκλώματος SCP, υπερθέρμανση OTP | 60 | RP60Q-RUW | Quarter Brick | Σχ.17. | 3k | 1 | 14...160 | 24 | - | - | 2,5 | - | - | 90 | -40...105 | 57,9x36,8x12,7 | THT |
| RP60Q-11024SRUW/PH | αντί υπερφόρτωσης OPP, υπερφόρτωση OVP, έναντι βραχυκυκλώματος SCP, υπερθέρμανση OTP | 60 | RP60Q-RUW | Quarter Brick | Σχ.18. | 3k | 1 | 14...160 | 24 | - | - | 2,5 | - | - | 90 | -40...105 | 57,9x36,8x26,4 | THT |
| RP60Q11024SRUWBN | αντί υπερφόρτωσης OPP, υπερφόρτωση OVP, έναντι βραχυκυκλώματος SCP, υπερθέρμανση OTP | 60 | RP60Q-RUW | Quarter Brick | Σχ.17. | 3k | 1 | 14...160 | 24 | - | - | 2,5 | - | - | 90 | -40...105 | 57,9x36,8x12,7 | THT |
| RP60Q11024SRUWBNHC | αντί υπερφόρτωσης OPP, υπερφόρτωση OVP, έναντι βραχυκυκλώματος SCP, υπερθέρμανση OTP | 60 | RP60Q-RUW | Quarter Brick | Σχ.18. | 3k | 1 | 14...160 | 24 | - | - | 2,5 | - | - | 90 | -40...105 | 57,9x36,8x26,4 | - |
| RP60Q11024SRUWBP | αντί υπερφόρτωσης OPP, υπερφόρτωση OVP, έναντι βραχυκυκλώματος SCP, υπερθέρμανση OTP | 60 | RP60Q-RUW | Quarter Brick | Σχ.17. | 3k | 1 | 14...160 | 24 | - | - | 2,5 | - | - | 90 | -40...105 | 57,9x36,8x12,7 | THT |
| RP60Q11024SRUWBPHC | αντί υπερφόρτωσης OPP, υπερφόρτωση OVP, έναντι βραχυκυκλώματος SCP, υπερθέρμανση OTP | 60 | RP60Q-RUW | Quarter Brick | Σχ.18. | 3k | 1 | 14...160 | 24 | - | - | 2,5 | - | - | 90 | -40...105 | 57,9x36,8x26,4 | - |
| RP60Q-11048SRUW/N | αντί υπερφόρτωσης OPP, υπερφόρτωση OVP, έναντι βραχυκυκλώματος SCP, υπερθέρμανση OTP | 60 | RP60Q-RUW | Quarter Brick | Σχ.17. | 3k | 1 | 14...160 | 48 | - | - | 1,25 | - | - | 89 | -40...105 | 57,9x36,8x12,7 | THT |
| RP60Q-11048SRUW/NH | αντί υπερφόρτωσης OPP, υπερφόρτωση OVP, έναντι βραχυκυκλώματος SCP, υπερθέρμανση OTP | 60 | RP60Q-RUW | Quarter Brick | Σχ.18. | 3k | 1 | 14...160 | 48 | - | - | 1,25 | - | - | 89 | -40...105 | 57,9x36,8x26,4 | THT |
| RP60Q-11048SRUW/P | αντί υπερφόρτωσης OPP, υπερφόρτωση OVP, έναντι βραχυκυκλώματος SCP, υπερθέρμανση OTP | 60 | RP60Q-RUW | Quarter Brick | Σχ.17. | 3k | 1 | 14...160 | 48 | - | - | 1,25 | - | - | 89 | -40...105 | 57,9x36,8x12,7 | THT |
| RP60Q-11048SRUW/PH | αντί υπερφόρτωσης OPP, υπερφόρτωση OVP, έναντι βραχυκυκλώματος SCP, υπερθέρμανση OTP | 60 | RP60Q-RUW | Quarter Brick | Σχ.18. | 3k | 1 | 14...160 | 48 | - | - | 1,25 | - | - | 89 | -40...105 | 57,9x36,8x26,4 | THT |
| RP60Q11048SRUWBN | αντί υπερφόρτωσης OPP, υπερφόρτωση OVP, έναντι βραχυκυκλώματος SCP, υπερθέρμανση OTP | 60 | RP60Q-RUW | Quarter Brick | Σχ.17. | 3k | 1 | 14...160 | 48 | - | - | 1,25 | - | - | 89 | -40...105 | 57,9x36,8x12,7 | - |
| RP60Q11048SRUWBNHC | αντί υπερφόρτωσης OPP, υπερφόρτωση OVP, έναντι βραχυκυκλώματος SCP, υπερθέρμανση OTP | 60 | RP60Q-RUW | Quarter Brick | Σχ.18. | 3k | 1 | 14...160 | 48 | - | - | 1,25 | - | - | 89 | -40...105 | 57,9x36,8x26,4 | - |
| RP60Q11048SRUWBP | αντί υπερφόρτωσης OPP, υπερφόρτωση OVP, έναντι βραχυκυκλώματος SCP, υπερθέρμανση OTP | 60 | RP60Q-RUW | Quarter Brick | Σχ.17. | 3k | 1 | 14...160 | 48 | - | - | 1,25 | - | - | 89 | -40...105 | 57,9x36,8x12,7 | - |
| RP60Q11048SRUWBPHC | αντί υπερφόρτωσης OPP, υπερφόρτωση OVP, έναντι βραχυκυκλώματος SCP, υπερθέρμανση OTP | 60 | RP60Q-RUW | Quarter Brick | Σχ.18. | 3k | 1 | 14...160 | 48 | - | - | 1,25 | - | - | 89 | -40...105 | 57,9x36,8x26,4 | - |
| RP75H-11005SRW/N | αντί υπερφόρτωσης OPP, υπερφόρτωση OVP, έναντι βραχυκυκλώματος SCP, υπερθέρμανση OTP | 75 | RP75H-RW | Half Brick | - | 3k | 1 | 43...160 | 5 | - | - | 15 | - | - | 91 | -40...85 | 61x57,9x12,7 | THT |
| RP75H-11005SRW/NHC | αντί υπερφόρτωσης OPP, υπερφόρτωση OVP, έναντι βραχυκυκλώματος SCP, υπερθέρμανση OTP | 75 | RP75H-RW | Half Brick | - | 3k | 1 | 43...160 | 5 | - | - | 15 | - | - | 91 | -40...85 | 61x57,9x24,13 | THT |
| RP75H-11005SRW/P | αντί υπερφόρτωσης OPP, υπερφόρτωση OVP, έναντι βραχυκυκλώματος SCP, υπερθέρμανση OTP | 75 | RP75H-RW | Half Brick | - | 3k | 1 | 43...160 | 5 | - | - | 15 | - | - | 91 | -40...85 | 61x57,9x12,7 | THT |
| RP75H-11005SRW/PHC | αντί υπερφόρτωσης OPP, υπερφόρτωση OVP, έναντι βραχυκυκλώματος SCP, υπερθέρμανση OTP | 75 | RP75H-RW | Half Brick | - | 3k | 1 | 43...160 | 5 | - | - | 15 | - | - | 91 | -40...85 | 61x57,9x24,13 | THT |
| RP75H-11012SRW/N | αντί υπερφόρτωσης OPP, υπερφόρτωση OVP, έναντι βραχυκυκλώματος SCP, υπερθέρμανση OTP | 75 | RP75H-RW | Half Brick | - | 3k | 1 | 43...160 | 12 | - | - | 6,3 | - | - | 91 | -40...85 | 61x57,9x12,7 | THT |
| RP75H-11012SRW/NHC | αντί υπερφόρτωσης OPP, υπερφόρτωση OVP, έναντι βραχυκυκλώματος SCP, υπερθέρμανση OTP | 75 | RP75H-RW | Half Brick | - | 3k | 1 | 43...160 | 12 | - | - | 6,3 | - | - | 91 | -40...85 | 61x57,9x24,13 | THT |
| RP75H-11012SRW/P | αντί υπερφόρτωσης OPP, υπερφόρτωση OVP, έναντι βραχυκυκλώματος SCP, υπερθέρμανση OTP | 75 | RP75H-RW | Half Brick | - | 3k | 1 | 43...160 | 12 | - | - | 6,3 | - | - | 91 | -40...85 | 61x57,9x12,7 | THT |
| RP75H-11012SRW/PHC | αντί υπερφόρτωσης OPP, υπερφόρτωση OVP, έναντι βραχυκυκλώματος SCP, υπερθέρμανση OTP | 75 | RP75H-RW | Half Brick | - | 3k | 1 | 43...160 | 12 | - | - | 6,3 | - | - | 91 | -40...85 | 61x57,9x24,13 | THT |
| RP75H-11015SRW/N | αντί υπερφόρτωσης OPP, υπερφόρτωση OVP, έναντι βραχυκυκλώματος SCP, υπερθέρμανση OTP | 75 | RP75H-RW | Half Brick | - | 3k | 1 | 43...160 | 15 | - | - | 5 | - | - | 91 | -40...85 | 61x57,9x12,7 | THT |
| RP75H-11015SRW/NHC | αντί υπερφόρτωσης OPP, υπερφόρτωση OVP, έναντι βραχυκυκλώματος SCP, υπερθέρμανση OTP | 75 | RP75H-RW | Half Brick | - | 3k | 1 | 43...160 | 15 | - | - | 5 | - | - | 91 | -40...85 | 61x57,9x24,13 | THT |
| RP75H-11015SRW/P | αντί υπερφόρτωσης OPP, υπερφόρτωση OVP, έναντι βραχυκυκλώματος SCP, υπερθέρμανση OTP | 75 | RP75H-RW | Half Brick | - | 3k | 1 | 43...160 | 15 | - | - | 5 | - | - | 91 | -40...85 | 61x57,9x12,7 | THT |
| RP75H-11015SRW/PHC | αντί υπερφόρτωσης OPP, υπερφόρτωση OVP, έναντι βραχυκυκλώματος SCP, υπερθέρμανση OTP | 75 | RP75H-RW | Half Brick | - | 3k | 1 | 43...160 | 15 | - | - | 5 | - | - | 91 | -40...85 | 61x57,9x24,13 | THT |
| RP75H-11024SRW/N | αντί υπερφόρτωσης OPP, υπερφόρτωση OVP, έναντι βραχυκυκλώματος SCP, υπερθέρμανση OTP | 75 | RP75H-RW | Half Brick | - | 3k | 1 | 43...160 | 24 | - | - | 3,2 | - | - | 90 | -40...85 | 61x57,9x12,7 | THT |
| RP75H-11024SRW/NHC | αντί υπερφόρτωσης OPP, υπερφόρτωση OVP, έναντι βραχυκυκλώματος SCP, υπερθέρμανση OTP | 75 | RP75H-RW | Half Brick | - | 3k | 1 | 43...160 | 24 | - | - | 3,2 | - | - | 90 | -40...85 | 61x57,9x24,13 | THT |
| RP75H-11024SRW/P | αντί υπερφόρτωσης OPP, υπερφόρτωση OVP, έναντι βραχυκυκλώματος SCP, υπερθέρμανση OTP | 75 | RP75H-RW | Half Brick | - | 3k | 1 | 43...160 | 24 | - | - | 3,2 | - | - | 90 | -40...85 | 61x57,9x12,7 | THT |
| RP75H-11024SRW/PHC | αντί υπερφόρτωσης OPP, υπερφόρτωση OVP, έναντι βραχυκυκλώματος SCP, υπερθέρμανση OTP | 75 | RP75H-RW | Half Brick | - | 3k | 1 | 43...160 | 24 | - | - | 3,2 | - | - | 90 | -40...85 | 61x57,9x24,13 | THT |
| RP75H-11048SRW/N | αντί υπερφόρτωσης OPP, υπερφόρτωση OVP, έναντι βραχυκυκλώματος SCP, υπερθέρμανση OTP | 75 | RP75H-RW | Half Brick | - | 3k | 1 | 43...160 | 48 | - | - | 1,6 | - | - | 90 | -40...85 | 61x57,9x12,7 | THT |
| RP75H-11048SRW/NHC | αντί υπερφόρτωσης OPP, υπερφόρτωση OVP, έναντι βραχυκυκλώματος SCP, υπερθέρμανση OTP | 75 | RP75H-RW | Half Brick | - | 3k | 1 | 43...160 | 48 | - | - | 1,6 | - | - | 90 | -40...85 | 61x57,9x24,13 | THT |
| RP75H-11048SRW/P | αντί υπερφόρτωσης OPP, υπερφόρτωση OVP, έναντι βραχυκυκλώματος SCP, υπερθέρμανση OTP | 75 | RP75H-RW | Half Brick | - | 3k | 1 | 43...160 | 48 | - | - | 1,6 | - | - | 90 | -40...85 | 61x57,9x12,7 | THT |
| RP75H-11048SRW/PHC | αντί υπερφόρτωσης OPP, υπερφόρτωση OVP, έναντι βραχυκυκλώματος SCP, υπερθέρμανση OTP | 75 | RP75H-RW | Half Brick | - | 3k | 1 | 43...160 | 48 | - | - | 1,6 | - | - | 90 | -40...85 | 61x57,9x24,13 | THT |
| RP90Q-11005SRW/N | αντί υπερφόρτωσης OPP, υπερφόρτωση OVP, έναντι βραχυκυκλώματος SCP, υπερθέρμανση OTP | 90 | RP90Q-RW | Quarter Brick | - | 3k | 1 | 40...160 | 5 | - | - | 17 | - | - | 89 | -40...85 | 57,9x36,6x12,7 | THT |
| RP90Q-11005SRW/NHC | αντί υπερφόρτωσης OPP, υπερφόρτωση OVP, έναντι βραχυκυκλώματος SCP, υπερθέρμανση OTP | 90 | RP90Q-RW | Quarter Brick | - | 3k | 1 | 40...160 | 5 | - | - | 17 | - | - | 89 | -40...85 | 57,9x36,6x18,8 | THT |
| RP90Q-11005SRW/P | αντί υπερφόρτωσης OPP, υπερφόρτωση OVP, έναντι βραχυκυκλώματος SCP, υπερθέρμανση OTP | 90 | RP90Q-RW | Quarter Brick | - | 3k | 1 | 40...160 | 5 | - | - | 17 | - | - | 89 | -40...85 | 57,9x36,6x12,7 | THT |
| RP90Q-11005SRW/PHC | αντί υπερφόρτωσης OPP, υπερφόρτωση OVP, έναντι βραχυκυκλώματος SCP, υπερθέρμανση OTP | 90 | RP90Q-RW | Quarter Brick | - | 3k | 1 | 40...160 | 5 | - | - | 17 | - | - | 89 | -40...85 | 57,9x36,6x18,8 | THT |
| RP90Q-11012SRW/N | αντί υπερφόρτωσης OPP, υπερφόρτωση OVP, έναντι βραχυκυκλώματος SCP, υπερθέρμανση OTP | 90 | RP90Q-RW | Quarter Brick | - | 3k | 1 | 40...160 | 12 | - | - | 7 | - | - | 89 | -40...85 | 57,9x36,6x12,7 | THT |
| RP90Q-11012SRW/NHC | αντί υπερφόρτωσης OPP, υπερφόρτωση OVP, έναντι βραχυκυκλώματος SCP, υπερθέρμανση OTP | 90 | RP90Q-RW | Quarter Brick | - | 3k | 1 | 40...160 | 12 | - | - | 7 | - | - | 89 | -40...85 | 57,9x36,6x18,8 | THT |
| RP90Q-11012SRW/P | αντί υπερφόρτωσης OPP, υπερφόρτωση OVP, έναντι βραχυκυκλώματος SCP, υπερθέρμανση OTP | 90 | RP90Q-RW | Quarter Brick | - | 3k | 1 | 40...160 | 12 | - | - | 7 | - | - | 89 | -40...85 | 57,9x36,6x12,7 | THT |
| RP90Q-11012SRW/PHC | αντί υπερφόρτωσης OPP, υπερφόρτωση OVP, έναντι βραχυκυκλώματος SCP, υπερθέρμανση OTP | 90 | RP90Q-RW | Quarter Brick | - | 3k | 1 | 40...160 | 12 | - | - | 7 | - | - | 89 | -40...85 | 57,9x36,6x18,8 | THT |
| RP90Q-11015SRW/N | αντί υπερφόρτωσης OPP, υπερφόρτωση OVP, έναντι βραχυκυκλώματος SCP, υπερθέρμανση OTP | 90 | RP90Q-RW | Quarter Brick | - | 3k | 1 | 40...160 | 15 | - | - | 5,5 | - | - | 89 | -40...85 | 57,9x36,6x12,7 | THT |
| RP90Q-11015SRW/NHC | αντί υπερφόρτωσης OPP, υπερφόρτωση OVP, έναντι βραχυκυκλώματος SCP, υπερθέρμανση OTP | 90 | RP90Q-RW | Quarter Brick | - | 3k | 1 | 40...160 | 15 | - | - | 5,5 | - | - | 89 | -40...85 | 57,9x36,6x18,8 | THT |
| RP90Q-11015SRW/P | αντί υπερφόρτωσης OPP, υπερφόρτωση OVP, έναντι βραχυκυκλώματος SCP, υπερθέρμανση OTP | 90 | RP90Q-RW | Quarter Brick | - | 3k | 1 | 40...160 | 15 | - | - | 5,5 | - | - | 89 | -40...85 | 57,9x36,6x12,7 | THT |
| RP90Q-11015SRW/PHC | αντί υπερφόρτωσης OPP, υπερφόρτωση OVP, έναντι βραχυκυκλώματος SCP, υπερθέρμανση OTP | 90 | RP90Q-RW | Quarter Brick | - | 3k | 1 | 40...160 | 15 | - | - | 5,5 | - | - | 89 | -40...85 | 57,9x36,6x18,8 | THT |
| RP90Q-11024SRW/N | αντί υπερφόρτωσης OPP, υπερφόρτωση OVP, έναντι βραχυκυκλώματος SCP, υπερθέρμανση OTP | 90 | RP90Q-RW | Quarter Brick | - | 3k | 1 | 40...160 | 24 | - | - | 3,5 | - | - | 89 | -40...85 | 57,9x36,6x12,7 | THT |
| RP90Q-11024SRW/NHC | αντί υπερφόρτωσης OPP, υπερφόρτωση OVP, έναντι βραχυκυκλώματος SCP, υπερθέρμανση OTP | 90 | RP90Q-RW | Quarter Brick | - | 3k | 1 | 40...160 | 24 | - | - | 3,5 | - | - | 89 | -40...85 | 57,9x36,6x18,8 | THT |
| RP90Q-11024SRW/P | αντί υπερφόρτωσης OPP, υπερφόρτωση OVP, έναντι βραχυκυκλώματος SCP, υπερθέρμανση OTP | 90 | RP90Q-RW | Quarter Brick | - | 3k | 1 | 40...160 | 24 | - | - | 3,5 | - | - | 89 | -40...85 | 57,9x36,6x12,7 | THT |
| RP90Q-11024SRW/PHC | αντί υπερφόρτωσης OPP, υπερφόρτωση OVP, έναντι βραχυκυκλώματος SCP, υπερθέρμανση OTP | 90 | RP90Q-RW | Quarter Brick | - | 3k | 1 | 40...160 | 24 | - | - | 3,5 | - | - | 89 | -40...85 | 57,9x36,6x18,8 | THT |
| RP90Q-11048SRW/N | αντί υπερφόρτωσης OPP, υπερφόρτωση OVP, έναντι βραχυκυκλώματος SCP, υπερθέρμανση OTP | 90 | RP90Q-RW | Quarter Brick | - | 3k | 1 | 40...160 | 48 | - | - | 1,8 | - | - | 89 | -40...85 | 57,9x36,6x12,7 | THT |
| RP90Q-11048SRW/NHC | αντί υπερφόρτωσης OPP, υπερφόρτωση OVP, έναντι βραχυκυκλώματος SCP, υπερθέρμανση OTP | 90 | RP90Q-RW | Quarter Brick | - | 3k | 1 | 40...160 | 48 | - | - | 1,8 | - | - | 89 | -40...85 | 57,9x36,6x18,8 | THT |
| RP90Q-11048SRW/P | αντί υπερφόρτωσης OPP, υπερφόρτωση OVP, έναντι βραχυκυκλώματος SCP, υπερθέρμανση OTP | 90 | RP90Q-RW | Quarter Brick | - | 3k | 1 | 40...160 | 48 | - | - | 1,8 | - | - | 89 | -40...85 | 57,9x36,6x12,7 | THT |
| RP90Q-11048SRW/PHC | αντί υπερφόρτωσης OPP, υπερφόρτωση OVP, έναντι βραχυκυκλώματος SCP, υπερθέρμανση OTP | 90 | RP90Q-RW | Quarter Brick | - | 3k | 1 | 40...160 | 48 | - | - | 1,8 | - | - | 89 | -40...85 | 57,9x36,6x18,8 | THT |
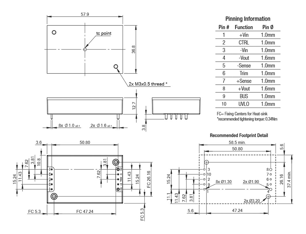
| RPA100H-11012SRUWN | αντί υπερφόρτωσης OPP, υπερφόρτωση OVP, υπερθέρμανση OTP | 100 | RPA100H-RUW | Half Brick | Σχ.19. | 4,2k | 1 | 16,5...140 | 12 | - | - | 8,5 | - | - | 90 | -40...85 | 60,6x63,1x13 | THT |
| RPA100H-11012SRUWP | αντί υπερφόρτωσης OPP, υπερφόρτωση OVP, υπερθέρμανση OTP | 100 | RPA100H-RUW | Half Brick | Σχ.19. | 4,2k | 1 | 16,5...140 | 12 | - | - | 8,5 | - | - | 90 | -40...85 | 60,6x63,1x13 | THT |
| RPA100H-11015SRUWN | αντί υπερφόρτωσης OPP, υπερφόρτωση OVP, υπερθέρμανση OTP | 100 | RPA100H-RUW | Half Brick | Σχ.19. | 4,2k | 1 | 16,5...140 | 15 | - | - | 6,7 | - | - | 93 | -40...85 | 60,6x63,1x13 | THT |
| RPA100H-11015SRUWP | αντί υπερφόρτωσης OPP, υπερφόρτωση OVP, υπερθέρμανση OTP | 100 | RPA100H-RUW | Half Brick | Σχ.19. | 4,2k | 1 | 16,5...140 | 15 | - | - | 6,7 | - | - | 93 | -40...85 | 60,6x63,1x13 | THT |
| RPA100H-11024SRUWN | αντί υπερφόρτωσης OPP, υπερφόρτωση OVP, υπερθέρμανση OTP | 100 | RPA100H-RUW | Half Brick | Σχ.19. | 4,2k | 1 | 16,5...140 | 24 | - | - | 4,2 | - | - | 88 | -40...85 | 60,6x63,1x13 | THT |
| RPA100H-11024SRUWP | αντί υπερφόρτωσης OPP, υπερφόρτωση OVP, υπερθέρμανση OTP | 100 | RPA100H-RUW | Half Brick | Σχ.19. | 4,2k | 1 | 16,5...140 | 24 | - | - | 4,2 | - | - | 88 | -40...85 | 60,6x63,1x13 | THT |
| RPA100H-11048SRUWN | αντί υπερφόρτωσης OPP, υπερφόρτωση OVP, υπερθέρμανση OTP | 100 | RPA100H-RUW | Half Brick | Σχ.19. | 4,2k | 1 | 16,5...140 | 48 | - | - | 2,1 | - | - | 90 | -40...85 | 60,6x63,1x13 | THT |
| RPA100H-11048SRUWP | αντί υπερφόρτωσης OPP, υπερφόρτωση OVP, υπερθέρμανση OTP | 100 | RPA100H-RUW | Half Brick | Σχ.19. | 4,2k | 1 | 16,5...140 | 48 | - | - | 2,1 | - | - | 90 | -40...85 | 60,6x63,1x13 | THT |
| RPA150E-4812SEW/P | αντί υπερφόρτωσης OPP, υπερφόρτωση OVP, υπερθέρμανση OTP | 150 | RPA150E-EW | Eight Brick | - | 3000 | 1 | 9...60 | 12 | - | - | 13 | - | - | 91 | -40...85 | 221x128x33 | THT |
| RPA150E-4824SEW/P | αντί υπερφόρτωσης OPP, υπερφόρτωση OVP, υπερθέρμανση OTP | 150 | RPA150E-EW | Eight Brick | - | 3000 | 1 | 9...60 | 24 | - | - | 6 | - | - | 92 | -40...85 | 221x128x33 | THT |
| RPA150E-4848SEW/P | αντί υπερφόρτωσης OPP, υπερφόρτωση OVP, υπερθέρμανση OTP | 150 | RPA150E-EW | Eight Brick | - | 3000 | 1 | 9...60 | 48 | - | - | 3 | - | - | 91 | -40...85 | 221x128x33 | THT |
| RPA150Q-11012SRUWP | - | 150 | RPA150Q-RUW | Quarter Brick | - | 4242 | 1 | 14,4...170 | 12 | - | - | 12,5 | - | - | 90 | -40...105 | 60,6x39x12,7 | THT |
| RPA150Q-11024SRUWP | - | 150 | RPA150Q-RUW | Quarter Brick | - | 4242 | 1 | 14,4...170 | 24 | - | - | 6,25 | - | - | 89 | -40...105 | 60,6x39x12,7 | THT |
| RPA150Q-11054SRUWP | - | 150 | RPA150Q-RUW | Quarter Brick | - | 4242 | 1 | 14,4...170 | 54 | - | - | 2,8 | - | - | 89 | -40...105 | 60,6x39x12,7 | THT |
| RPA200H-11012SRUWN | αντί υπερφόρτωσης OPP, υπερφόρτωση OVP, υπερθέρμανση OTP | 200 | RPA200H-RUW | Half Brick | Σχ.19. | 4,2k | 1 | 16,5...140 | 12 | - | - | 16,7 | - | - | 90 | -40...93,5 | 60,6x63,1x13 | THT |
| RPA200H-11012SRUWP | αντί υπερφόρτωσης OPP, υπερφόρτωση OVP, υπερθέρμανση OTP | 200 | RPA200H-RUW | Half Brick | Σχ.19. | 4,2k | 1 | 16,5...140 | 12 | - | - | 16,7 | - | - | 90 | -40...93,5 | 60,6x63,1x13 | THT |
| RPA200H-11015SRUWN | αντί υπερφόρτωσης OPP, υπερφόρτωση OVP, υπερθέρμανση OTP | 200 | RPA200H-RUW | Half Brick | Σχ.19. | 4,2k | 1 | 16,5...140 | 15 | - | - | 13,5 | - | - | 93 | -40...93,5 | 60,6x63,1x13 | THT |
| RPA200H-11015SRUWP | αντί υπερφόρτωσης OPP, υπερφόρτωση OVP, υπερθέρμανση OTP | 200 | RPA200H-RUW | Half Brick | Σχ.19. | 4,2k | 1 | 16,5...140 | 15 | - | - | 13,5 | - | - | 93 | -40...93,5 | 60,6x63,1x13 | THT |
| RPA200H-11024SRUWN | αντί υπερφόρτωσης OPP, υπερφόρτωση OVP, υπερθέρμανση OTP | 200 | RPA200H-RUW | Half Brick | Σχ.19. | 4,2k | 1 | 16,5...140 | 24 | - | - | 8,5 | - | - | 88 | -40...93,5 | 60,6x63,1x13 | THT |
| RPA200H-11024SRUWP | αντί υπερφόρτωσης OPP, υπερφόρτωση OVP, υπερθέρμανση OTP | 200 | RPA200H-RUW | Half Brick | Σχ.19. | 4,2k | 1 | 16,5...140 | 24 | - | - | 8,5 | - | - | 88 | -40...93,5 | 60,6x63,1x13 | THT |
| RPA200H-11048SRUWN | αντί υπερφόρτωσης OPP, υπερφόρτωση OVP, υπερθέρμανση OTP | 200 | RPA200H-RUW | Half Brick | Σχ.19. | 4,2k | 1 | 16,5...140 | 48 | - | - | 4,2 | - | - | 90 | -40...93,5 | 60,6x63,1x13 | THT |
| RPA200H-11048SRUWP | αντί υπερφόρτωσης OPP, υπερφόρτωση OVP, υπερθέρμανση OTP | 200 | RPA200H-RUW | Half Brick | Σχ.19. | 4,2k | 1 | 16,5...140 | 48 | - | - | 4,2 | - | - | 90 | -40...93,5 | 60,6x63,1x13 | THT |
| RPA40-11005SFR | αντί υπερφόρτωσης OLP, υπερφόρτωση OVP, έναντι βραχυκυκλώματος SCP, υπερθέρμανση OTP | 40 | RPA40-FR | 2"x1" | - | 3k | 1 | 36...160 | 5 | - | 8 | - | - | 88 | -40...105 | 56,4x36,83x15 | THT | |
| RPA40-11012DFR | αντί υπερφόρτωσης OLP, υπερφόρτωση OVP, έναντι βραχυκυκλώματος SCP, υπερθέρμανση OTP | 40 | RPA40-FR | 2"x1" | - | 3k | 2 | 36...160 | 12 | 12 | 1666m | - | - | 88 | -40...105 | 56,4x36,83x15 | THT | |
| RPA40-11012SFR | αντί υπερφόρτωσης OLP, υπερφόρτωση OVP, έναντι βραχυκυκλώματος SCP, υπερθέρμανση OTP | 40 | RPA40-FR | 2"x1" | - | 3k | 1 | 36...160 | 12 | - | - | 3333m | - | - | 89 | -40...105 | 56,4x36,83x15 | THT |
| RPA40-11015DFR | αντί υπερφόρτωσης OLP, υπερφόρτωση OVP, έναντι βραχυκυκλώματος SCP, υπερθέρμανση OTP | 40 | RPA40-FR | 2"x1" | - | 3k | 2 | 36...160 | 15 | 15 | - | 1333m | - | - | 89 | -40...105 | 56,4x36,83x15 | - |
| RPA40-11015SFR | αντί υπερφόρτωσης OLP, υπερφόρτωση OVP, έναντι βραχυκυκλώματος SCP, υπερθέρμανση OTP | 40 | RPA40-FR | 2"x1" | - | 3k | 1 | 36...160 | 15 | - | - | 2666m | - | - | 90 | -40...105 | 56,4x36,83x15 | THT |
| RPA40-11024SFR | αντί υπερφόρτωσης OLP, υπερφόρτωση OVP, έναντι βραχυκυκλώματος SCP, υπερθέρμανση OTP | 40 | RPA40-FR | 2"x1" | - | 3k | 1 | 36...160 | 24 | - | - | 1666m | - | - | 88,5 | -40...105 | 56,4x36,83x15 | THT |
| RPA40-1105.1SFR | αντί υπερφόρτωσης OLP, υπερφόρτωση OVP, έναντι βραχυκυκλώματος SCP, υπερθέρμανση OTP | 40 | RPA40-FR | 2"x1" | - | 3k | 1 | 36...160 | 5,1 | - | - | 8 | - | - | 88 | -40...105 | 56,4x36,83x15 | - |
| RPA50S-4805SW/P | αντί υπερφόρτωσης OPP, υπερφόρτωση OVP, έναντι βραχυκυκλώματος SCP, υπερθέρμανση OTP | 50 | RPA50S-W | 1/16 Brick | Σχ.20. | 2,25k | 1 | 18...75 | 5 | - | - | 10 | - | - | 91 | -40...54 | 33x22,8x9,5 | THT |
| RPA50S-4812SW/P | αντί υπερφόρτωσης OPP, υπερφόρτωση OVP, έναντι βραχυκυκλώματος SCP, υπερθέρμανση OTP | 50 | RPA50S-W | 1/16 Brick | Σχ.20. | 2,25k | 1 | 18...75 | 12 | - | - | 4,2 | - | - | 89 | -40...54 | 33x22,8x9,5 | THT |
| RPA50S-483.3SW/P | αντί υπερφόρτωσης OPP, υπερφόρτωση OVP, έναντι βραχυκυκλώματος SCP, υπερθέρμανση OTP | 50 | RPA50S-W | 1/16 Brick | Σχ.20. | 2,25k | 1 | 18...75 | 3,3 | - | - | 15 | - | - | 90,5 | -40...54 | 33x22,8x9,5 | THT |
| RPA60-2405SFW | αντί υπερφόρτωσης OPP, υπερφόρτωση OVP, έναντι βραχυκυκλώματος SCP, υπερθέρμανση OTP | 60 | RPA60-FW | 2"x1" | Σχ.21. | 1,5k | 1 | 9...36 | 5 | - | - | 12 | - | - | 92 | -40...85 | 50,8x25,4x10,2 | THT |
| RPA60-2405SFW/N | αντί υπερφόρτωσης OPP, υπερφόρτωση OVP, έναντι βραχυκυκλώματος SCP, υπερθέρμανση OTP | 60 | RPA60-FW | 2"x1" | Σχ.21. | 1,5k | 1 | 9...36 | 5 | - | - | 12 | - | - | 92 | -40...85 | 50,8x25,4x10,2 | THT |
| RPA60-2405SFW/P | αντί υπερφόρτωσης OPP, υπερφόρτωση OVP, έναντι βραχυκυκλώματος SCP, υπερθέρμανση OTP | 60 | RPA60-FW | 2"x1" | Σχ.21. | 1,5k | 1 | 9...36 | 5 | - | - | 12 | - | - | 92 | -40...85 | 50,8x25,4x10,2 | THT |
| RPA60-2412SFW | αντί υπερφόρτωσης OPP, υπερφόρτωση OVP, έναντι βραχυκυκλώματος SCP, υπερθέρμανση OTP | 60 | RPA60-FW | 2"x1" | Σχ.21. | 1,5k | 1 | 9...36 | 12 | - | - | 5 | - | - | 93 | -40...85 | 50,8x25,4x10,2 | THT |
| RPA60-2412SFW/N | αντί υπερφόρτωσης OPP, υπερφόρτωση OVP, έναντι βραχυκυκλώματος SCP, υπερθέρμανση OTP | 60 | RPA60-FW | 2"x1" | Σχ.21. | 1,5k | 1 | 9...36 | 12 | - | - | 5 | - | - | 93 | -40...85 | 50,8x25,4x10,2 | THT |
| RPA60-2412SFW/P | αντί υπερφόρτωσης OPP, υπερφόρτωση OVP, έναντι βραχυκυκλώματος SCP, υπερθέρμανση OTP | 60 | RPA60-FW | 2"x1" | Σχ.21. | 1,5k | 1 | 9...36 | 12 | - | - | 5 | - | - | 93 | -40...85 | 50,8x25,4x10,2 | THT |
| RPA60-2415SFW | αντί υπερφόρτωσης OPP, υπερφόρτωση OVP, έναντι βραχυκυκλώματος SCP, υπερθέρμανση OTP | 60 | RPA60-FW | 2"x1" | Σχ.21. | 1,5k | 1 | 9...36 | 15 | - | - | 4 | - | - | 93 | -40...85 | 50,8x25,4x10,2 | THT |
| RPA60-2415SFW/N | αντί υπερφόρτωσης OPP, υπερφόρτωση OVP, έναντι βραχυκυκλώματος SCP, υπερθέρμανση OTP | 60 | RPA60-FW | 2"x1" | Σχ.21. | 1,5k | 1 | 9...36 | 15 | - | - | 4 | - | - | 93 | -40...85 | 50,8x25,4x10,2 | THT |
| RPA60-2415SFW/P | αντί υπερφόρτωσης OPP, υπερφόρτωση OVP, έναντι βραχυκυκλώματος SCP, υπερθέρμανση OTP | 60 | RPA60-FW | 2"x1" | Σχ.21. | 1,5k | 1 | 9...36 | 15 | - | - | 4 | - | - | 93 | -40...85 | 50,8x25,4x10,2 | THT |
| RPA60-2424SFW | αντί υπερφόρτωσης OPP, υπερφόρτωση OVP, έναντι βραχυκυκλώματος SCP, υπερθέρμανση OTP | 60 | RPA60-FW | 2"x1" | Σχ.21. | 1,5k | 1 | 9...36 | 24 | - | - | 2,5 | - | - | 93 | -40...85 | 50,8x25,4x10,2 | THT |
| RPA60-2424SFW/N | αντί υπερφόρτωσης OPP, υπερφόρτωση OVP, έναντι βραχυκυκλώματος SCP, υπερθέρμανση OTP | 60 | RPA60-FW | 2"x1" | Σχ.21. | 1,5k | 1 | 9...36 | 24 | - | - | 2,5 | - | - | 93 | -40...85 | 50,8x25,4x10,2 | THT |
| RPA60-2424SFW/P | αντί υπερφόρτωσης OPP, υπερφόρτωση OVP, έναντι βραχυκυκλώματος SCP, υπερθέρμανση OTP | 60 | RPA60-FW | 2"x1" | Σχ.21. | 1,5k | 1 | 9...36 | 24 | - | - | 2,5 | - | - | 93 | -40...85 | 50,8x25,4x10,2 | THT |
| RPA60-2424SFW/P-HC | αντί υπερφόρτωσης OPP, υπερφόρτωση OVP, έναντι βραχυκυκλώματος SCP, υπερθέρμανση OTP | 60 | RPA60-FW | 2"x1" | Σχ.21. | 1,5k | 1 | 9...36 | 24 | - | - | 2,5 | - | - | 93 | -40...85 | 50,8x25,4x17,1 | THT |
| RPM40-1212SG | αντίστροφης πόλωσης | 40 | RPM40-G | - | Σχ.22. | 1,6k | 1 | 9,5...18 | 12 | - | - | 3333m | - | - | - | - | 101,6x57,15x19 | - |
| RPM40-2405SGW | αντίστροφης πόλωσης | 40 | RPM40-G | - | Σχ.22. | 1,6k | 1 | 9,5...36 | 5 | - | - | 8 | - | - | - | - | 101,6x57,15x19 | - |
| RPM60-2412SG | αντίστροφης πόλωσης | 60 | RPM60-G | - | Σχ.22. | 1,6 | 1 | 18...36 | 12 | - | - | 5 | - | - | - | - | 101,6x57,15x19 | Πίνακα |
| RPP40-2405SW | αντί υπερφόρτωσης OPP, υπερφόρτωση OVP, υπερθέρμανση OTP | 40 | RPP40-W | 2"x1,2" | Σχ.23. | 2,25k | 1 | 9...36 | 5 | - | - | 8 | - | - | 89 | -40...85 | 50,8x30,5x12,7 | THT |
| RSP45-40M | υπερέντασης OCP, υπόταση UVP, υπερφόρτωση OVP, έναντι βραχυκυκλώματος SCP, υπερθέρμανση OTP | 45 | - | - | Σχ.24. | 2,25k | 1 | 9...36 | 8...35 | - | - | 5 | - | - | 97 | -40...105 | 40,6x25,4x10,2 | THT |
| RSP150-40M | υπερέντασης OCP, υπόταση UVP, υπερφόρτωση OVP, έναντι βραχυκυκλώματος SCP, υπερθέρμανση OTP | 150 | - | - | Σχ.25. | 2,25k | 1 | 9...36 | 8...35 | - | - | 10 | - | - | 98 | -40...105 | 57,9x36,8x12,7 | THT |
| RSP250-40M | υπερέντασης OCP, υπόταση UVP, υπερφόρτωση OVP, έναντι βραχυκυκλώματος SCP, υπερθέρμανση OTP | 250 | - | - | Σχ.26. | 2,25k | 1 | 9...36 | 8...35 | - | - | 15 | - | - | 98 | -40...105 | 57,9x36,8x12,7 | THT |