Power supply: switching; LED; constant voltage; MEAN WELL

Power supply: switching; LED; constant voltage; MEAN WELL, ODLV-45-12, ODLV-45-24, ODLV-45-36 |EN|
Manufacturer
Type of power supplyswitching
ApplicationLED
Kind of power supplyLED
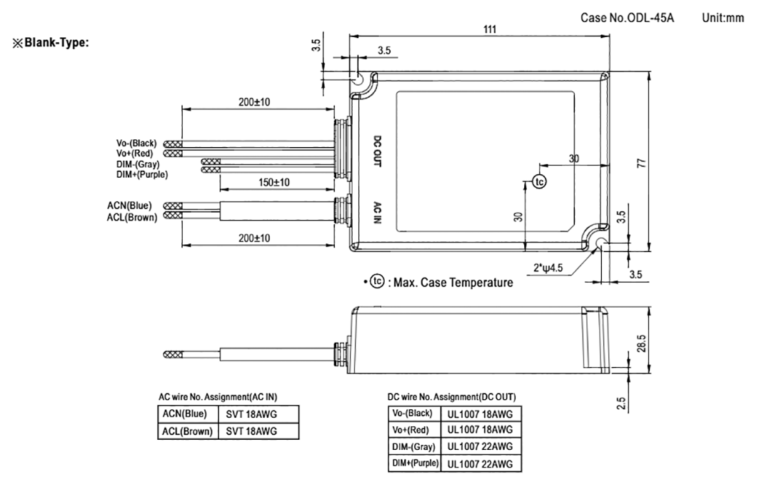
Electrical connectionwires
Protectionanti-overload OPP, short circuit protection SCP
FeaturesPWM style output
Operating temperature-20...85°C
IP ratingIP67
Power consumption without load<0.5W
Operating modesconstant voltage
Caution!rated parameters obtained at full load
Lead length150mm; 200mm
Symbol Power Uout Iout Usup Usup Body dim. Efficiency
[W] [V DC] [A] [V AC] [V DC] [mm] [%]
ODLV-45-36 45 36 1.25 90...295 127...417 111x77x28.5 88
ODLV-45A-36 45 36 1.25 90...295 127...417 111x77x28.5 88
ODLV-65-36 65 36 1.8 180...295 254...417 121x77x28.5 88
ODLV-65A-36 65 36 1.8 180...295 254...417 121x77x28.5 88
Number of outputs:
Additional functions:
  • dimming function 0-10V DC
  • PWM controlled dimming function
  • active PFC
  • auxiliary output 12V DC (ODLV-45A-36, ODLV-65A-36)
Manufacturer series: