Push-button switches, IC08 series

Push-button switches, IC08 series, IC1508P1B5M1QE, IC1908P1B5M1QE, IC1908P1B6M6QE |EN|
Manufacturer
Type of switchpush-button
Mountingon panel, THT
AC contacts rating @R*1A / 125V AC
DC contacts rating @R*1A / 28V DC
Max. contact resistance:10mΩ
Electrical life50000 cycles
Min. insulation resistance1000MΩ
Mounting hole diameterØ6.35mm
Operating temperature-30...85°C
Button shaperound, prominent
Illuminationnone
Positions2
* at resistive load
Symbol: (IC1508P1B5M1QE, IC1908P1B5M1QE)
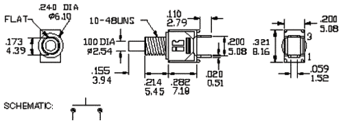
Leadsfor soldering
Symbol: (IC1908P1B6M6QE)
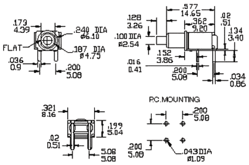
Leadsfor PCB, angled
Symbol Contacts layout Switch. method* Actuator colour Dimensions
IC1508P1B5M1QE SPDT ON-(ON) black Fig. 1.
IC1908P1B5M1QE SPST-NO OFF-(ON) black Fig. 2.
IC1908P1B6M6QE SPST-NO OFF-(ON) black Fig. 3.
* the position in bracket indicates momentary position.