| Manufacturer | ELCO SRL |
| Type of relay | solid state |
| Contacts configuration | SPST-NO |
| Symbol | Uswitch. | Uswitch. | Ioper. max | Ucntrl | Body dimensions | Dimensions | Features | Term. pitch | Manufacturer series |
|---|---|---|---|---|---|---|---|---|---|
| [V DC] | [V AC] | [A] | [V DC] | [mm] | [mm] | ||||
| SSR20-524B | 0...35 | - | 5 | 10...32 | 12.7x15.7x29 | Fig. 1. | - | 3.5 | SSR2 |
| SSR20-524C | 0...35 | - | 5 | 10...32 | 12.7x15.7x29 | Fig. 1. | - | 5 | SSR2 |
| SSR20-524C5 | 0...35 | - | 5 | 5...10 | 12.7x15.7x29 | Fig. 1. | - | 5 | SSR2 |
| SSR21-3240B | - | 12...275 | 3 | 10...32 | 12.7x15.7x29 | Fig. 1. | zero voltage switching | 3.5 | SSR2 |
| SSR21-3240C | - | 12...275 | 3 | 10...32 | 12.7x15.7x29 | Fig. 1. | zero voltage switching | 5 | SSR2 |
| SSR21-3240C5 | - | 12...275 | 3 | 5...10 | 12.7x15.7x29 | Fig. 1. | zero voltage switching | 5 | SSR2 |
| SSR88D-360 | max. 60 | - | 3 | 3...32 | 10.7x33.1x43.1 | Fig. 2. | - | - | SSR 88 |
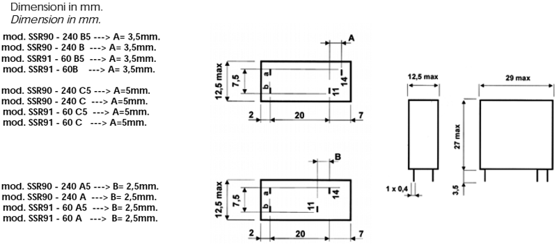
| SSR-91-60B | max. 60 | - | 2 | 10...30 | 12.5x29x30.5 | Fig. 3. | - | 3.5 | SSR9 |
| SSR-91-60B5 | max. 60 | - | 2 | 5...10 | 12.5x29x30.5 | Fig. 3. | - | 3.5 | SSR9 |
| SSR-91-60C | max. 60 | - | 2 | 10...30 | 12.5x29x30.5 | Fig. 3. | - | 5 | SSR9 |
| SSR-870-5240 | - | 12...275 | 5 | 10...32 | 10.7x33.1x43.1 | Fig. 2. | zero voltage switching | - | SSR 870 |
| SSR-870-52405 | - | 12...275 | 5 | 3...10 | 10.7x33.1x43.1 | Fig. 2. | zero voltage switching | - | SSR 870 |
| SSR-871-52405 | - | 12...275 | 5 | 3...10 | 10.7x33.1x43.1 | Fig. 2. | random switching | - | SSR 871 |