| Biztosíték típusa | polimer PTC |
| Max. fesz. | 240V |
| Üzemi hőmérséklet | -40...85°C |
| márkanév | Polyswitch |
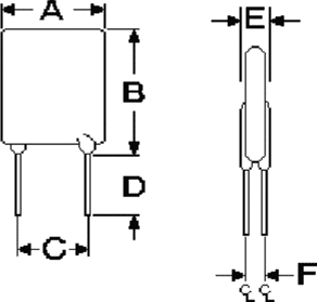
| Jelölés | Név. áram | Átkapcs. áram | Rmin | Rmax | Teljesítmény | Kiv. raszter | Méretek | A méret | B méret | C méret | D méret | E méret |
|---|---|---|---|---|---|---|---|---|---|---|---|---|
| [mA] | [A] | [Ω] | [Ω] | [W] | [mm] | [mm] | [mm] | [mm] | [mm] | [mm] | ||
| LVR040S | 400 | 0,9 | 0,6 | 1,9 | 2 | 5 | Ábra 1. | 11,5 | 19,5 | 5,8 | 7,6 | 3,8 |
| LVR055S | 550 | 1,25 | 0,45 | 1,45 | 3,4 | 5 | Ábra 1. | 14 | 21,7 | 5,8 | 7,6 | 3,8 |
| LVR025K | 250 | 0,56 | 1,3 | 2,1 | 1,5 | - | - | - | - | - | - | - |
| LVR055K | 550 | 1,25 | 0,45 | 7,3 | 3,4 | - | - | - | - | - | - | - |
| LVR008NK | 80 | 0,19 | 7,4 | 12 | 0,9 | - | - | - | - | - | - | - |
| LVR012K-2 | 120 | 0,3 | 3 | 6,5 | 1 | 5,8 | - | - | - | - | - | - |
| LVR012K | 120 | 0,3 | 3 | 6,5 | 1 | 5,8 | - | - | - | - | - | - |