Kisteljesítményű szinkron motor, nyomatékváltóval, SP sorozat

Kisteljesítményű szinkron motor, nyomatékváltóval, SP sorozat, FMJ7201FB1, FMJ7201FJ1 |HU|
Gyártó
MotortípusAC
Szigetelési osztályIP50
Teljesítmény4W
Üzemi hőmérséklet-20...80°C
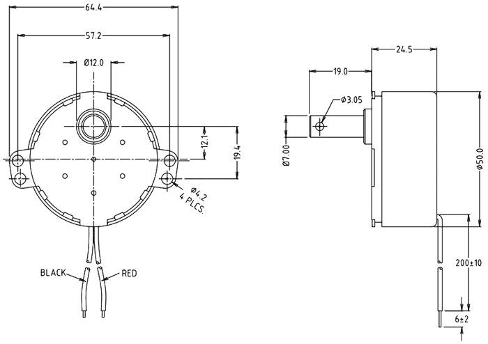
MéretekÁbra 1.
Tápfeszültség220/240V AC
Jelölés A motor névleges fordulatszáma Tulajdonságok
[ford/min]
FMJ7201FB1 2,5 óramutató járásával azonos forgásirány
FMJ7201FJ1 30 óramutató járásával azonos forgásirány
FMJ7201FJ2 30 óramutató járásával ellentétes irányú mozgás